容器中存在两种不同介质,当上面一层的介质介电常数较小,而下面的介质介电常数较大时,高频微脉冲沿着探测组件传播遇到上层介质时,由于其介电常数较小,因而有极少的能量被这一层介面反射,而大部分能量穿透上层介质继续向下传播,遇到两层的介面时,由于下层介质的介电常数较大,因而会有较大的能量被反射回来。因而导波雷达是可以测量两种不同介质的介面,其测量条件是上层介质不导电或其介电常数比下层介质介电常数小10以上。

导波雷达液位计特点
由于采用了先进的微处理器和独特的EchoDiscovery回波处理技术,导波雷达液位计可以应用于各种复杂工况。多种过程连接方式及探测组件配置,使得YR-RD30系列导波雷达物位计适于高温、高压及小介电常数介质等杂工况及应用场合。导波雷达液位计采用脉冲工作方式,导波雷达液位计发射功率极低,可安装于各种金属、非金属容器内,对人体及环境无伤害。
型号:YR-RD31(量程0-30米)
特点:钢缆天线
应用:复杂过程条件下液体、固体测量
最大量程:30m
测量精度:±3mm
过程连接:螺纹或法兰
探测组件:不锈钢316L /PTFE
钢缆直径:钢缆Φ4mm或钢缆Φ6mm
过程温度:-40~250℃
过程压力:-0.1~2MPa
信号输出:两线制4-20mA/HART

型号:YR-RD35(腐蚀性液体测量,量程0-6米)
特点:全四氟密封天线,耐强酸碱腐蚀
应用:量程较短的酸碱罐体液位测量
最大量程:6m
测量精度:±3mm
过程连接:螺纹或法兰
探测组件:不锈钢316L/PTFE
钢缆直径:钢棒Φ10mm
过程温度:-40~120℃
过程压力:-0.1~2MPa
信号输出:两线制4-20mA/HART
型号:YR-RD36(小介电常数介质测量,量程6米)
特点:同轴式导波天线,获得更小的盲区、更强的回波信号
应用:小量程,多蒸汽,小介电常数介质的测量。适应过程条件复杂的环境
最大量程:6m
测量精度:±10mm
过程连接:G1½A或G2A
探测组件:不锈钢316L
同轴直径:Φ25mm
过程温度:-40~250℃
过程压力:-0.1~2MPa
信号输出:两线制4-20mA/HART
![]()
型号:YR-RD32(量程0-6米)
特点:杆式导波雷达天线
应用:液体测量,高温高压工况,复杂过程条件
最大量程:最长6m
测量精度:±3mm
过程连接:螺纹或法兰
探测组件:不锈钢316L/陶瓷
钢缆/棒:钢缆Φ4mm或钢缆Φ6mm/棒Φ10mm
过程温度:-40~250℃
过程压力:-0.1~2MPa
信号输出:两线制4-20mA/HART
![]()
型号:YR-RD34(高温液体测量,量程0-6米)
特点:不锈钢316L/陶瓷材料天线,能耐受更高的温度和压力
应用:液体测量,高温高压复杂工况
最大量程:6m
测量精度:±3mm
过程连接:螺纹或法兰
探测组件:不锈钢316L
杆直径:Φ10mm
过程温度:-40~400℃
过程压力:-0.1~2MPa
信号输出:两线制4-20mA/HART

型号:YR-RD33(小介电常数液体或固体测量)
特点:多缆式导波天线结构,获得更强的回波信号
应用:小介电常数液体及固体测量,复杂过程条件
最大量程:30m
测量精度:±3mm
过程连接:法兰
探测组件:不锈钢316L/PTFE
钢缆直径:钢缆Φ6mm
过程温度:-40~250℃
过程压力:-0.1~2MPa
信号输出:两线制4-20mA/HART
导波雷达物位计技术参数
参数:导波雷达工作频率:100MHZ-1.8GHz
测量范围:缆式导波雷达测量范围0-30m;杆式、同轴管式导波雷达测量范围0-6m
重复性:±2mm
分辨率:1mm
采样:YR-RD30系列导波雷达回波采样55次/s
响应速度:>0.2S(根据具体使用情况而定)
输出信号:4-20mA
精度:±3mm
通讯接口:HART 通讯协议
过程连接:G1"A、G1½"A螺纹;法兰DN50,DN80,DN100 ,DN150,DN200,DN250
过程压力:-0.1-2MPa
电源:24VDC(±10%);纹波电压:1Vpp
耗电量:最大22.5mA
环境条件:温度-40℃~+70℃
外壳防护等级:导波雷达防护等级为IP67
防爆等级:EXib IIC T6
电缆入口:2个M20×1.5或1/2"NPT(电缆直径5-9mm)
测量距离:下表列出不同类别被测介质与测量距离的关系
| 分组 | DK(ε) | 固体颗粒 | 液体 | 测量范围 |
| 1 | 1.4…16 | 冷凝气,如N2CO2 | 3m-仅指同轴杆式探头 | |
| 2 | 1.6…19 |
塑料带粒子 白灰石,特种水泥 糖 |
液化气,如丙烷 溶剂 氟利昂12/氟利昂 棕榈油 |
25m |
| 3 | 1.9…25 | 普通水泥,石膏 | 矿物油,燃料 | 30m |
| 4 | 2.5…4 |
谷物,种子 石头 砂粒 |
苯,苯乙烯,甲苯 呋喃 萘 |
30m |
| 5 | 4…7 |
潮湿的石头、矿石 盐 |
氯苯,氯仿 纤维素喷雾 异氰盐酸,本胺 |
30m |
| 6 | >7 |
金属粉末 碳黑 煤炭 |
含水液体 酒精 液氨 |
30m |
导波雷达物位计接线图
导波雷达物位计调试
fkswng仪表制造有限公司YR-RD30系列导波雷达可以通过以下方法调试:
1、通过调试软件YR-SOFT
通过YR-SOFT软件调试雷达传感器都可以通过软件进行调试。采用软件进行调试,需要一个仪表CONNECTCAT驱动器。
使用软件调试时需给雷达仪表提供24VDC,同时在连接HART适配器前端加一个250欧姆的电阻。如果一体式HART电阻(内部自带电阻250欧姆)的供电仪表,就不需要附加外部电阻,这时候HART适配器可以和4-20mA线并联。
2、通过HART手持编程器

3、通过显示调整模块YR-PM
编程器订货后出厂已安装在导波雷达上。编程器由4个按键和一个液晶显示屏组成,可以显示调整菜单和参数设置。
YR-RD30系列导波雷达按结构形式和应用场合的不同,分为YR-RD31、YR-RD32、YR-RD33、YR-RD34、YR-RD35和YR-RD36六个大类,用户选用导波雷达时应认真填写导波雷达物位计参数表》,fkswng仪表制造有限公司可以根据您提供的详细参数,为您选配最佳测量效果的导波雷达产品。
1、缆式导波雷达选型
| YR-RD31□□□□□□□□-□ 最大量程30米,液体、固体粉料测量 | |
| 防爆 | |
|
P I D |
标准型(非防爆) 本安型(Exib ⅡC T6) 本安型+隔爆型(Exd ib ⅡC T6) |
| 传感器/缆式探头 | |
|
A B C |
液体型/4mm 固体型(10m内)/6mm 固体型(10m-30m)/6mm |
|
过程连接/材料 |
|
|
G GA N NA C D E F H K Y |
G1½"A螺纹/不锈钢 G1"A螺纹/不锈钢 1½"NPT螺纹/不锈钢 1"NPT螺纹/不锈钢 法兰DN50 PN16 C型 法兰DN80 PN16 C型 法兰DN100 PN16 C型 法兰DN150 PN16 C型 法兰DN200 PN16 C型 法兰DN250 PN16 C型 特殊约定 |
| 密封温度 | |
|
P G |
普通密封/-40...100℃ 高温密封/-40...250℃带散热片 |
| 电子单元 | |
|
2
3 4 5 |
4-20mA /24VDC两线制 4-20mA /24VDC/HART两线制 4-20mA /24VDC/HART四线制 4-20mA /220VAC/HART四线制 |
| 外壳/防护等级/天线防护等级 | |
|
P L |
塑料/IP65 铝/IP67 |
| 电缆接口 | |
|
M N |
M20×1.5 |
| 编程/显示 | |
|
V X |
带显示 不带显示 |
|
量程 |
|
2、杆式导波雷达选型
| YR-RD32□□□□□□□□-□ 最大量程6米,液体液位测量 | |
| 防爆 | |
|
P I D |
标准型(非防爆) 本安型(Exib ⅡC T6) 本安型+隔爆型(Exd ib ⅡC T6) |
| 杆式探头 直径 | |
|
A |
6mm |
| 过程连接/材料 | |
|
G GA N NA C D E F H K Y |
G1½"A螺纹/不锈钢 G1"A螺纹/不锈钢 1½"NPT螺纹/不锈钢 1"NPT螺纹/不锈钢 法兰DN50 PN16 C型 法兰DN80 PN16 C型 法兰DN100 PN16 C型 法兰DN150 PN16 C型 法兰DN200 PN16 C型 法兰DN250 PN16 C型 特殊约定 |
| 密封温度 | |
|
P G |
普通密封/-40...100℃ 高温密封/-40...250℃带散热片 |
| 电子单元 | |
|
2 3 4 5 |
4-20mA /24VDC两线制 4-20mA /24VDC/HART两线制 4-20mA /24VDC/HART四线制 4-20mA /220VAC/HART四线制 |
| 外壳/防护等级/天线防护等级 | |
|
P L |
塑料/IP65 铝/IP67 |
| 电缆接口 | |
|
M N |
M20×1.5 1/2"NPT |
| 编程/显示 | |
|
V X |
带显示 不带显示 |
| 量程 | |
3、双缆式导波雷达选型
| YR-RD33□□□□□□□□-□ 最大量程30米,液体、固体粉末测量 | |
| 防爆 | |
|
P I D |
标准型(非防爆) 本安型(Exib ⅡC T6) 本安型+隔爆型(Exd ib ⅡC T6) |
| 过程连接/材料 | |
|
D E F H K Y |
法兰DN80 PN16 C型 法兰DN100 PN16 C型 法兰DN150 PN16 C型 法兰DN200 PN16 C型 法兰DN250 PN16 C型 特殊约定 |
| 密封温度 | |
|
P G |
普通密封/-40...100℃ 高温密封/-40...250℃带散热片 |
| 电子单元 | |
|
2
3 4 5 |
4-20mA /24VDC两线制 4-20mA /24VDC/HART两线制 4-20mA /24VDC/HART四线制 4-20mA /220VAC/HART四线制 |
| 外壳/防护等级/天线防护等级 | |
|
P L |
塑料/IP65 铝/IP67 |
| 电缆接口 | |
|
M N |
M20×1.5 1/2"NPT |
| 编程/显示 | |
|
V X |
带显示 不带显示 |
| 量程 | |
4、杆式(高温型)导波雷达选型
| YR-RD34□□□□□□□□-□ 最大量程6米,液体、蒸汽测量 | |
|
防爆 |
|
|
P |
标准型(非防爆) |
|
杆式探头 |
|
|
A |
6mm |
|
过程连接/材料 |
|
|
G N C D E F H K Y |
G1½"A螺纹/不锈钢 1½"NPT螺纹/不锈钢 法兰DN50 PN16 C型 法兰DN80 PN16 C型 法兰DN100 PN16 C型 法兰DN150 PN16 C型 法兰DN200 PN16 C型 法兰DN250 PN16 C型 特殊约定 |
| 密封温度 | |
| G | 高温密封/-40...400℃带散热片 |
| 电子单元 | |
|
2
3 4 5 |
4-20mA /24VDC两线制 4-20mA /24VDC/HART两线制 4-20mA /24VDC/HART四线制 4-20mA /220VAC/HART四线制 |
| 外壳/防护等级/天线防护等级 | |
|
P L |
塑料/IP65 铝/IP67 |
| 电缆接口 | |
|
M N |
M20×1.5 1/2"NPT |
| 编程/显示 | |
|
V X |
带显示 不带显示 |
| 量程 | |
5、防腐型导波雷达选型
| YR-RD35□□□□□□□□-□ 量程6-20米,腐蚀性液体测量 | |
| 防爆 | |
|
P I D |
标准型(非防爆) 本安型(Exib ⅡC T6) 本安型+隔爆型(Exd ib ⅡC T6) |
| 防腐探头 | |
|
A B |
10mm 14mm |
| 过程连接/材料 | |
|
C D E F H K Y |
法兰DN50 PN16 C型 法兰DN80 PN16 C型 法兰DN100 PN16 C型 法兰DN150 PN16 C型 法兰DN200 PN16 C型 法兰DN250 PN16 C型 特殊约定 |
| 密封温度 | |
| P | 普通密封/-40...120℃ |
| 电子单元 | |
|
2 3 4 5 |
4-20mA /24VDC两线制 4-20mA /24VDC/HART两线制 4-20mA /24VDC/HART四线制 4-20mA /220VAC/HART四线制 |
| 外壳/防护等级/天线防护等级 | |
| P | 塑料/IP65 |
| 电缆接口 | |
|
M N |
M20×1.5 1/2"NPT |
| 编程/显示 | |
|
V X |
带显示 不带显示 |
| 量程 | |
6、同轴杆式导波雷达选型
| YR-RD36□□□□□□□□-□ 最大量程6米,介电常数低、表面波动液体测量 | |
| 防爆 | |
|
P I D |
标准型(非防爆) 本安型(Exib ⅡC T6) 本安型+隔爆型(Exd ib ⅡC T6) |
| 传感器/缆式探头 | |
|
A B |
25mm 50mm |
| 过程连接/材料 | |
|
GA NA C D E F H K Y |
G1"A螺纹/不锈钢 1"NPT螺纹/不锈钢 法兰DN50 PN16 C型 法兰DN80 PN16 C型 法兰DN100 PN16 C型 法兰DN150 PN16 C型 法兰DN200 PN16 C型 法兰DN250 PN16 C型 特殊约定 |
| 密封温度 | |
|
P G |
普通密封/-40...100℃ 高温密封/-40...250℃带散热片 |
| 电子单元 | |
|
2 3 4 5 |
4-20mA /24VDC两线制 4-20mA /24VDC/HART两线制 4-20mA /24VDC/HART四线制 4-20mA /220VAC/HART四线制 |
| 外壳/防护等级/天线防护等级 | |
|
P L |
塑料/IP65 铝/IP67 |
| 电缆接口 | |
|
M N |
M20×1.5 1/2"NPT |
| 编程/显示 | |
|
V X |
带显示 不带显示 |
| 量程 | |
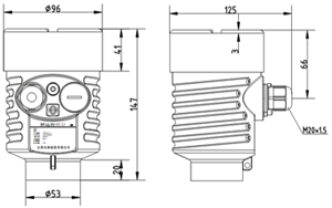
导波雷达物位计尺寸
1、外壳材质:铝合金
2、不同型号导波雷达尺寸

导波雷达物位计参数表
客户信息
单位:-------------
联系人:-----------
地址:-------------
邮编:-------------
电话:-------------
手机:-------------
E-mail:-----------
日期:××年××月××日
许可证
□ 标准型(非防爆);□ 本安型(Exib IIB T5);□ 本安型(Exib IIC T6);□ 本安型+船用许可证(Exib IIC T6);□ 本安型+隔爆型(Exd [ib] IIC T6)
罐/容器信息
储罐类型:
□ 储罐
□ 储罐结构:------------
□ 罐尺寸:--------------
□ 反应罐;
□ 罐体材质:------------
□ 罐高度:----------m
□ 分离罐
□ 压力:------------
□ 罐直径:-------------
□ 船用储罐
罐顶:□ 拱顶式;□ 平顶式;□ 敞口式
罐底:□ 锥底;□ 平底;□ 斜坡底
安装:□ 顶部安装 ;□ 侧面安装;□ 旁通管;□ 导波管安装
罐顶安装接管(重要信息)
接管高度:------------mm
接管直径:------------mm
测量介质
介质名称:-----------;□ 液体;□ 固体;□ 混合介质
介质温度:-----------℃
介电常数:-----------
挂料:□ 是;□ 否
搅拌:□ 是;□ 否
过程连接
螺纹:□ G1½"A;□ 1½"NPT;□ G2"A;□ G1"A;□ 1"NPT
法兰:□ 法兰 DN= ------;□ 法兰 ANSI=------------
电源:□ 24VDC;□ 220VAC
输出:□ 4-20mA;□ HART;□ PROFIBUS PA
显示:□ 带表头显示;□ 不带表头显示
