安装保护套管THERMOWELL是套在测温元件外面或预先安装与设备之上,抵御被测介质的压力和腐蚀的温度传感器安装件,俗称温度计套管,THERMOWELL大多和铠装热电偶、铠装热电阻、双金属温度计配套使用。

◆ 作压力:焊接型温度计套管THERMOWELL: -0.1~10MPa;整体钻孔型温度计套管THERMOWELL: -0.1~30MPa;温度计套管THERMOWELL随所选材料种类和使用温度不同,应该将公称压力合理地降额后作为使用的工作压力。
◆ 水压试验:THERMOWELL试验压力等级为保护管耐压等级的1.5倍。
◆ 介质流速:热安装套管THERMOWELL使用在流速不超过80m/s的介质中。

常用温度计套管有法兰式、螺纹式和焊接式三种,下面fkswng仪表分别介绍这三类温度计套管的选型及产品图样:
法兰式温度计套管THERMOWELL选型表
①②③④-⑤/⑥-⑦/⑧/⑨/⑩/⑪-⑫/⑬/⑭-⑮/⑯-⑰⑱-⑲/⑳
①法兰式温度计套管(THERMOWELL)
[TH10]:过程连接为固定法兰+仪表接口为内螺纹,默认
[TH11]:过程连接为固定法兰+仪表接口为外螺纹
[TH12]:过程连接为活动法兰+仪表接口为内螺纹
[TH13]:过程连接为活动法兰+仪表接口为外螺纹
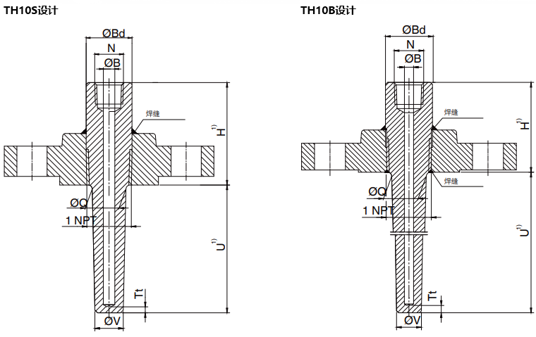
②套管颈部设计(见产品示意图)

[N]:活动法兰与套管不焊接
[P]:法兰与套管之间为双面半渗透焊接,默认
[F]:法兰与套管之间为全渗透焊接
[S]:法兰与套管之间为螺纹焊接(1NPT螺纹+单面焊接)
[B]:法兰与套管之间为螺纹焊接(1NPT螺纹+双面焊接)
③套管形式
[A]:整体钻孔锥形管,默认
[B]:整体钻孔直形管
[C]:整体钻孔缩径式直形管
[D]:钢管焊接直形管
[X]:特殊结构设计
④套管内孔结构形式
[N]:直形内孔,默认
[R]:直形变径内孔
⑤套管材料
[A]:304SS
[B]:316L,默认
[C]:不锈钢1.4571
[D]:不锈钢1.4404
[E]:C276合金
[F]:Incolo600
[G]:GH3039
[H]:MONEL400
[X]:特殊材质,协议订货
⑥套管涂层要求
[N]:无涂层,默认
[M]:堆焊或喷涂耐磨层(耐磨)
[F]:套管及法兰密封面整体烧结聚四氟乙烯(防腐,套管材质选316L即可)
[X]:特殊要求,协议订货
⑦法兰材质
[A]:304SS
[B]:316L,默认
[C]:不锈钢1.4571
[D]:不锈钢1.4404
[E]:C276合金
[F]:Incolo600
[G]:GH3039
[H]:MONEL 400
[X]:特殊材质,协议订货
⑧法兰标准
[AM]:ASME B16.5(2013),默认
[EN]:EN1092-1(2013)
[HA]:HG20615(2009英制)
[HE]:HG20592(2009公制)
⑨法兰公称直径/公称压力
[公称直径选型代码]/[公称压力选型代码]:详见下面说明
-------ASME法兰公称直径选型代码
[1"]:1inch
[1 1/2"]:1.5inch
[2"]:2inch
-------ASME法兰公称压力选型代码
[CL150]:公称压力2.0MPa
[CL300]:公称压力5.0MPa
[CL600]:公称压力11.0MPa
[CL900]:公称压力15.0MPa
[CL1500]:公称压力26.0MPa
-------EN和DIN法兰公称直径选型代码
[DN25]:DN25
[DN40]:DN40
[DN50]:DN50
[DN80]:DN80
-------EN和DIN法兰公称压力选型代码
[PN16]:公称压力1.6MPa
[PN40]:公称压力4.0MPa
[PN64]:公称压力6.4MPa
[PN100]:公称压力10MPa
⑩法兰密封面
[RF]:突面RF,默认
[FF]:全平面FF
[RTJ]:RTJ
[B]:EN From B1
⑪仪表接口(图例中的N)
[A]:1/2NPT螺纹,默认
[B]:M16×1.5螺纹
[C]:M20×1.5螺纹
[D]:M27×2螺纹
[E]:G1/2螺纹
[X]:其他
⑫颈部高度(连接长度,图例中的H)
[57]:57mm(PN<CL900或 PN10~PN100,详见参数表1),默认
[83]:83mm(PN≥CL900,详见参数表1)
[**]:其他连接可根据要求提供


⑬根部直径(图例中的φQ)
[25]:25mm(详见参数表1),默认
[22]:22mm(详见参数表)
[**]:其他连接可根据要求提供
⑭端部直径(图例中的φV)
[19]:25mm(详见参数表1),默认
[16]:22mm(详见参数表)
[**]:其他连接可根据要求提供
⑮内孔直径(图例中的φB)
-------直形内孔
[6.6]:内孔6.6mm,用于6.35mm及以下直径的探头,默认
[8.5]:内孔8.5mm,用于8mm及以下直径的探头
[6.2]:内孔6.2mm[0.244in]
[7.0]:内孔7.0mm[0.276in]
[8.2]:内孔8.2mm[0.323in]
[8.5]:内孔8.5mm[0.355in]
[9.0]:内孔9.0mm[0.354in]
[9.8]:内孔9.8mm[0.385in]
[10.2]:内孔10.2mm [0.402in]
[12.2]:内孔12.2mm [0.480in]
[**]:其他连接可根据要求提供
-------直形变径内孔
[**]/[**]/[**]/[**]:大内孔直径/小内孔直径/大内孔深度/小内孔深度
⑯顶部厚度mm(图例中的Tt)
[6.4]:顶部厚度6.4mm,默认
⑰插入长度mm(图例中的U)
[**]:插入长度mm,13~1575mm[0.5...62in]
⑱内孔深度Us(mm)
[**]:Us=H+U-7mm
⑲材质证书
[N]:无证书,默认
[M]:原材料材质证书
⑳测试报告要求
[N]:无证书,默认
[PMI]:PMI报告
[LPI]:LPI报告
[XR]:X-ray射线探伤报告
[IHT]:内部水压测试报告
[EHT]:外部水压测试报告
螺纹式温度计套管选型表
焊接式温度计套管选型表
温度计套管THERMOWELL型号举例(附结构图)
1、整体钻孔锥形固定法兰式温度计套管结构图



2、固定法兰钢管焊接直形套管

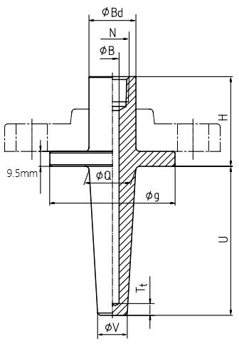
3、保护管喷涂固定法兰钢管焊接直形套管

4、固定法兰整体钻孔直形套管

5、固定法兰整体钻孔直形套管
6、活动法兰整体钻孔直形套管/TH12NBN
7、活动法兰整体钻孔锥形套管/TH12NAN

8、石化厂炼油提升管抗冲刷专用套管/型号:TH10PXN
9、固定法兰整体钻孔缩径式直形套/型号:TH10PCN

温度传感器保护套管振动频率及流速计算
安装于管道中的温度传感器保护管会受到介质液体或气体及双相流的流动冲击,对套管施加了压力,计算所选的温度传感器保护管是否有足够强度去耐受温度、压力、流速和振动的使用场合,所以在设计时要计算温度传感器保护管振动频率、压缩应力强度及折弯强度。当用足够强度的热套管时,会使传感元件在测量中偏差精度影响最小,使温度计套管满足预期的用途。
1、影响温度计套管使用条件最大的几个数据:
①插入深度mm;②套管直径mm;③介质流速m/s;④压力MPa。
2、计算温度计套管振动频率及强度需要提供技术数据:
①套管直径mm;
②套管孔径mm;
③插入深度mm;
④管嘴高度mm;
⑤套管材质;
⑥设计温度℃;
⑦介质流速m/s;
⑧介质粘度Ns/m2;
⑨介质密度kg/m3;
⑩设计压力MPa
这方面的计算在《ASME PTC 19.3 TW-2016中温度计套管强度计算及选用》文章中有详细介绍
3、温度传感器保护管振动频率和强度参照ASME PTC 19.3 TW-2016标准要点。
4、温度传感器保护管经振动频率及强度计算后不符合使用条件解决方案。
①缩短设计插深。如果头管的长度和插深按规格决定,缩短插深后会使测量精度低下,所以要考虑下面的方案。
②用大直径的头管。比如一般用一个半英寸的套管,如果不满足套管共振频率比的话,改用2英寸的头管。
③温度计套管外径加支撑定位环。定位环支撑管嘴外径,定位环要在管嘴外部两边提供≤0.15mm气隙才有效,支撑定位环起减振作用。定位环内径要求为设计管嘴外径的+0-0.15,高度尺寸为25mm。
