
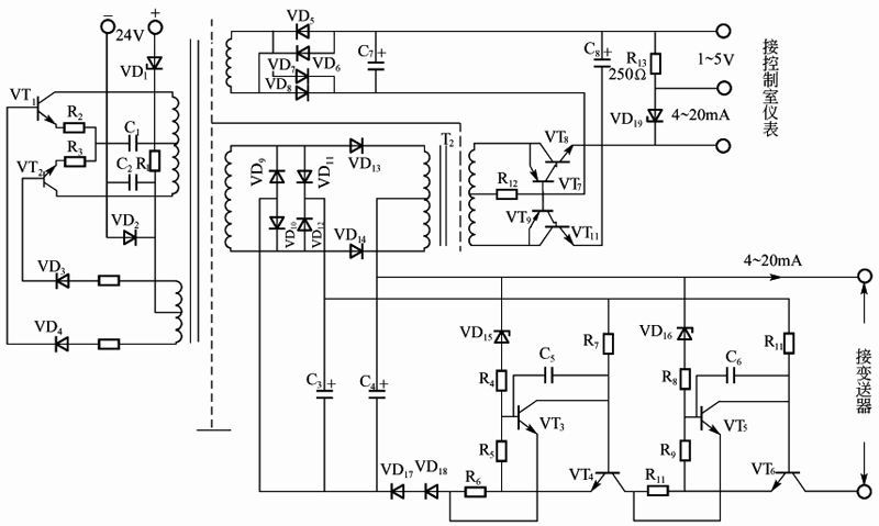
检测端隔离安全栅作为现场二线制变送器与控制室仪表和电源的联系纽带,一方面向二线制变送器提供电源,同时把二线制变送器送来的信号电流经隔离变压器1:1地传送给控制室仪表。在上述传递过程中,依靠双重限压限流电路,使任何情况下输往危险场所的电压和电流不超过30V、30mA(直流),从而确保危险场所的安全。

图1 检测端隔离安全栅原理框图
图1是某厂检测端隔离安全栅的原理框图,24V直流电源经直流-交流变换器变成8kHz的交流电压,经变压器T1传递,一路经整流滤波和限压限流电路为变送器提供电源(仍为直流24V),另一路经整流滤波为解调放大器提供电源。从变送器获得的4-20mA信号电流经限压限流电路进入调制器,被调制成交流后,由变压器T2耦合给解调放大器,经解调后恢复成4-20mA直流信号,输出给控制室仪表。所以,从信号传送的角度来看,检测端隔离安全栅是一个传递系数为1的传送器,被传送的信号经过调制→变压器耦合→解调的过程后,照原样送出。这里电源、变送器、控制室仪表之间除磁通联系之外,电路上是互相绝缘的。

图2 检测端隔离安全栅简化原理框图
图2是这种检测端隔离安全栅的简化原理图,下面对照图1,对各部分分别叙述。
电源直流-交流变换器 它由晶体管VT1、VT2 、二极管VD1-VD4和变压器T1等组成。这是一个磁耦合自激多谐振荡器。
晶体管限压限流电路图2的检测端隔离安全栅中为了可靠,串联使用了两套完全相同的限压限流电路,晶体管VT3、VT4、齐纳二极管VD15等为一套,晶体管VT5、VT6、齐纳二极管VD16等为另一套。

图3 限压限流电路
为叙述方便,图3中画出了其中的一套,晶体管VT4和变送器串联,执行限压限流动作。VT4的基极电路被晶体管VT3控制,在正常工作中VT3是不通的,VT4由电容C3两端的整流滤波电压经电阻R7VT4取得足够的基极电流,处于饱和导通状态,变送器的4-20mA信号电流可十分流畅地通过限压限流电路。
看一下晶体管VT3的基极-发射极电路便可发现,如果电阻R5、R6上的压降超过0.6V,VT3将开始导通,使晶体管VT4的基极电流减小。若VT3的电流很大,则经过R7的电流将大部分或全部通过VT3,而不流入VT4的基极,使晶体管VT4退出饱和,进入放大或截止区。
电路出现这种情况的原因可有如下两种:
①电源出现过电压:图3中齐纳二极管VD15的击穿电压约为30V。如果滤波电容C4上的整流电压超过30V,则齐纳二极管VD15 导通,经电阻R4向晶体管VT3的基极提供电流,VT3导通且夺取VT4的基极电流,使VT4趋于关断,送往现场的电压UAB减小,起
到限制电压的作用。
②变送器出现过电流:图中电阻R6上信号电流在20mA的正常范围内时压降不超过0.6V,另外由于电阻R5(18kΩ)的存在,R6上的压降即使稍微超过0.6V,VT3也不会充分导通。如果变送器电流超过25mA左右时,R6上的压降将逐渐使VT3充分导通,夺取 VT4的基极电流,使VT4发挥作用,把流入现场的电流限制在30mA以内。

图4 限压限流特性曲线
上述限压限流电路的特性如图4所示。当滤波电容C4上的整流电压UC4小于30V时,输出电压UAB=UC4,晶体管VT4不起任何限压作用。但UC4>30V时,VT4很快趋于关断,随着UC4的增大,UAB很快降为零。同理,电路的限流作用也是通过晶体管VT4使输出电压UAB降低来实现的。
这里需要说明的是,图2中限压限流晶体管VT4、VT6的耐压必须足够高。因为当电源出现过电压时,VT4、VT6都处于关断状态,这样全部过电压都加在这两个晶体管上。目前主流检测端隔离安全栅的供电电压均为DC24V。
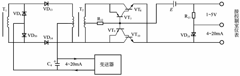
最后再讨论一下调制和解调放大部分。这部分的原理性电路可单独画出如图5所示。二线制变送器的电源是靠二极管VD9、

图5 调制解调放大电路
VD10、VD13、VD14全波整流供给的。由于VD13和VD14是在电源正负半波交替工作的,因此将变压器B2初级线圈的上下两半分别接入这两个二极管支路中时,在VD13、VD14的开关作用下,变送器的4-20mA直流信号电流将交替地进入变压器初级线圈的上下两部分,使其次级出现方波电压。这里,变压器T2工作于电流互感器的工作方式,其次级负载阻抗很小。这样,在初次级线圈匝数比为1:1的情况下,次级方波电流大小等于初级电流。
由于信号电流是单方向的,因此解调问题很简单,只要对电流互感器T2的次级电流进行全波整流即可。为了产生恒流输出,这里用共基极电路作整流放大。考虑到共基极放大电路中晶体管的β愈大,输入电流(发射极电流)与输出电流(集电极电流)之比愈接近于1,故在解调放大电路中用VT7、VT8和VT9、VT10组成复合管,以增大等效β值,提高工作精度。图5中,电流互感器T2的次级方波电流作为复合管的输入电流,经共基极放大电路后,产生的两个半波恒流输出,相加后,就得到与原来信号电流相等的4-20mA直流电流。此电流可直接供给控制室仪表,也可经电阻R13(250Ω)转化为1-5V的电压输出。齐纳二极管 VD19是电流输出端的续流二极管,其击穿电压为6-7V。当电流输出端上接有正常负载时它不工作,一旦外接负载电路切除,VD19便自动接入,保证输出回路继续连通。
文中举例所展示的检测端隔离安全栅电路图并不是目前先进技术产品的电路图,仅做检测端隔离安全栅原理介绍时使用,请勿对号入座。
欢迎大家移步至 //www.fkswng.com/product/448.html 详细了解检测端隔离安全栅的技术参数、选型及应用
