
图1 低压断路器铭牌信息

图2 低压断路器铭牌上"IT"标识
IEC60417定义该符号为Not suitable for use on IT systems,GB/T14048.2低压断路器的标准定义该断路器不适用于某电压等级的IT系统。

图3 不适用于某电压等级IT系统的标识
什么原因导致标识该符号的断路器不能用在对应电压的IT系统中呢?
首先得从低压配电系统接地型式说起,根据系统电源点的对地关系和负荷侧电气装置的外露可导电部分的对地关系,低压系统接地划分为:TN系统(图4)、TT系统(图5)和IT系统(图6)。
TN-S系统是常见地低压接地型式,如果按照载流导体的型式划分一般称之为三相四线制,而不是三相五线制,因为从IEC的角度载流导体是指正常通过工作电流的导体,PE线只在接地故障时才会有电流流过,不能称之为“线”。

图4 TN-S系统

图5 TT系统

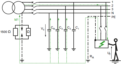
图6 IT系统(中性点对地绝缘)
第1个字母代表电源对地的关系,比如变压器中性点与大地的关系,“T”代表中性点与地直接连接(见图7),“I”代表所有带电部分与地隔离,或通过高阻抗接地。

图7 变压器中性点接地示意图
第2个字母代表装置的外露可导电部分对地的关系(见图8和图9示例),比如电动机外壳、控制柜外壳等与地的关系,“T”代表外露可导电部分与地直接连接,与系统电源的任何一点的接地无任何连接,“N”代表外露可导电部分与电源系统接地点直接做电气连接。

图8 设备外露导电部分接地(空调接地)

图9 设备外露导电部分接地(电动机外壳接地)
IT系统的电源端不做系统接地,或经过高阻抗接地,所以系统内发生第一次接地故障时,接地故障电流没有直接返回电源的通路,只能通过另外两个非故障相导体对地的电容返回电源(见图10),由于容抗很大,电容电流小,不会引发电击危险,也不足让断路器过电流保护动作,但需要安装绝缘监测提示报警。

图10 IT系统第一次接地故障时电流流向
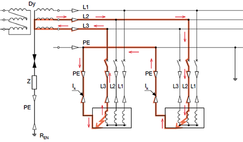
IT系统中只有发生第二次接地故障时转化为相间短路才需要切断电源(如图11)。

图11 IT系统二次接地故障
对于690V的IT系统,发生相间短路故障时,断路器分断时触头之间的电压为690V/1.732=400V,但是如果是因为二次接地故障引起相间短路,那么断路器分断时触头间的电压为690V,所以应用在690V系统的断路器,不光要考核单极触头分断400V短路电流的能力,还需要考核单极分断690V短路电流的能力。
图11中的3代表相间短路时断路器分断时触头间的电压为400V。1代表C相断路器上端对地短路,2代表A相断路器下端对地短路,此时断路器A相分断时触头间电压为690V。

图12 IT系统相间短路、二次接地故障时触头电压
正因如此,低压断路器标准GB/T14048.2的附录H就专门针对应用在IT系统中的断路器,有特殊的单极短路分断试验要求。

试验是在多极断路器的一极上进行,试验电压为适用的IT系统的最高额定工作电压的相间电压,试验电流等于:短延时脱扣器电流或瞬时脱扣器脱扣电流电流最大整定值的1.2倍,但不小于500A、不超过50kA,试验程序为:O-t-CO,只有通过上述试验后,才能宣称该断路器适用于该电压等级的IT系统。
比如,下表为西门子VL塑壳断路断路器在690V和415VIT系统中的短路分断能力宣称,供参考。

总结一下,IT系统对低压断路器有特殊要求,主要是因为二次接地故障会导致相间短路,此时断路器单极需要分断系统最高额定工作电压的相间电压,只有通过GB/T14048.2附录H中的试验,才能宣称满足该电压等级的IT系统,否则需要在断路器铭牌上标识不适用于某个电压等级的符号。
作者:宾昭平
相关阅读
◆断路器的基本原理
◆消防与非消防负荷所选断路器有什么区别
◆一文弄懂低压断路器结构、用途、功能和脱扣器工作原理
