
1、ET200SP模块基座介绍
ET200SP模块类型众多,基座同样也有非常多的种类,如图1所示是各种ET200SP基座的大集合。

图1 各式基座注:外观相同的基座,图中只出现一次。
下面分别来看一下各种基座。
①A0基座
基本上常用的DI、DQ、AI、AQ、串口模块、计数器模块、PTO模块等用的都是A0基座,外观如图1中①②③④,那为什么会有四种呢?
A0基座按供电分可以分两类,可以通过端子处颜色来看出,浅色的①③是需要DC24V电源供电的,深色的②④是没有电源供电的。浅色的基座的可以通过背板往右边相邻的深色基座供电,最大10A,直到下一个浅色基座之前,后文会通过电路示意图分析。由此我们可以得知接口模块后的模块,浅色A0基座是可以放置在第一位的,深色A0基座至少放置在第二位。
A0基座按辅助端子同样可以分两类,可以通过基座长短来看出,尺寸更长端子更多的③④是有辅助端子的,①②是没有的。辅助端子可以在端子处提供更多的0V或者24V,主要是用于点数多的模块公共线或电源线等,例如16点的DI,8点的AI等。这样供电单元和辅助端子的存在与否就使得A0基座产生了四种类型。
②A1基座
AI、AQ模块都可以使用A1基座,其外观同A0,即图1中①②③④,也就是说单从外表分不出哪个是A0还是A1,只能通过侧面的订货号才能分清。在供电和辅助端子方面,A0和A1也是没有区别的。这就带来一个问题,如果采购了A0和A1,在安装时可能就错误的把数字量模块安装在了A1基座上,然后发现无法使用。所以我们一般推荐没有特殊情况下模拟量模块也只选用A0基座就好了。那什么是特殊情况呢?
如果您需要温度模拟量采集模块测量热电偶时使用内部补偿功能,即如图2所示的设置,此时如果不用 A1 基座就无法读取到准确的温度值。除此以外,就没有使用 A1基座的必要了。

图2 基准结设置
注:后文多次提到的A0基座,也同样可以指代A1基座。
③B0基座、B1基座
B0基座外观如图1中⑤,B1基座外观如图1中⑥,外观上的区别仅在最下方四个端子的颜色,整体均呈现深色。这两种用途接近,主要是用于一些继电器模块、交流DI模块、流量仪表、充电模块、TM Pulse脉冲模块等,部分模块不支持B0基座只支持 B1基座。
B1基座与B0基座,最大的区别是电源,B1基座需要供电,可以根据安装模块的需要向其提供DC24V/AC230V电源,与浅色A0基座不同的是,B1基座并不会通过背板向右边相邻基座供电。此外B1基座如果位于浅色A0与深色A0基座之间时,不影响左侧浅色基座向右侧深色基座的供电。而B0基座则需要其左边使用提供电源的基座,例如浅色 A0基座。
由此可知同样是深色的B1基座是可以放在接口模块后模块的第一位的,而B0基座至少是放在第二位的。
④C0基座、C1基座
C0基座外观如图1中⑦,C1基座外观如图1中⑧,C0是浅色基座,C1是深色基座。C0基座可以用于AS-i、AS-i Safety以及F-PM-E模块,而C1基座目前只能用于AS-i Safety模块。
C0基座需要供电,可以根据模块需要向其提供DC24V/AC230V电源,通过背板往右边相邻的深色基座供电,最大10A,直到下一个浅色基座之前。而C1基座则需要左侧浅色基座供电。
⑤F0基座
F0基座外观如图1中⑤,目前仅F-RQ模块使用。基座需要左边浅色模块供电,但实际模块通道本身不需要电源,仅用于模块基础的电路消耗。
⑥U0基座
U0基座外观如图1中⑨⑩,根据供电与否区别于浅色还是深色。U0基座目前广泛应用于UC模块(交直流模块)、继电器输出、电能模块、称重模块、DALI通信模块、F-TM 步进/伺服模块,可以说后期出的模块很多都是这种基座。
U0基座和A0基座最大区别在于电源,U0基座电压等级在DC120V/AC240V,根据安装模块的需要选择,浅色基座通过背板往右边相邻的深色基座供电,最大10A。
⑦D0基座
D0基座外观如图1中⑪,其实这是个随已淘汰的电能模块一起淘汰的基座,这里就不赘述了。
除A0、A1基座以外的其他基座与目前已有模块的搭配组合,如图3所示。

图3 非A0、A1基座与模块的搭配
注:深色底色模块是已淘汰的电能模块;目前订货号与基座关系唯一例外是图3红框圈出的模块。
除了通过上面表格,那还能如何快速知道使用的模块对应的基座呢?
例如:TM Pulse 2x24V,订货号:6ES7138-6DB00-0BB1,后两位是B1,那就可以用B1基座,是否支持B0,可以去手册或官网查询。
F-PM-E 24VDC/8A PPM ST,订货号:6ES7136-6PA00-0BC0,后两位是C0,那就可以用C0基座,是否支持C1,同样可以去手册或官网查询。
基座订货号如图4所示。

图4 基座订货号
2、电路分析
我们先来看ET200SP系统手册中的一个典型配置。

图5 典型配置
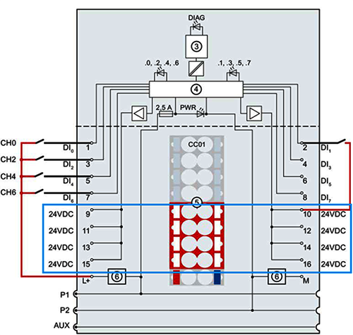
如图5所示,该ET200SP分布式IO的基座是一个浅色没有辅助端子的A0基座连接三个深色没有辅助端子的A0基座,然后又是一个浅色没有辅助端子的A0基座连接五个深色没有辅助端子的A0基座。除了最上面的背板总线,下方是P1、P2、AUX总线。
第二个浅色基座把P1、P2、AUX总线隔离开,形成了两个独立的电位组,从图中可知第一个电位组的P1、P2由第一个浅色基座电源供电,第二个电位组的P1、P2由第二个浅色基座电源供电,整套系统没有带辅助端子的模块,两段AUX都悬空。
详细图解以A0基座为例,如图6所示。

图6 A0基座电路
◆对于浅色基座红色框,接头这里与P1、P2、AUX总线断开,右边连接到相邻基座接头。
◆对于深色基座红色框,接头这里与P1、P2、AUX总线连接,右边连接到相邻基座接头。
◆对于有辅助端子基座蓝色框,L+与P1连接,M与P2连接,1A-10A与AUX连接。
◆对于没有辅助端子基座蓝色框,L+与P1连接,M与P2连接,没有端子与AUX连接。
划重点:浅色基座是开启新一个电位组,与前面电位组隔离开。整个电位组的P1、P2、AUX是导通的,P1、P2总线由浅色基座的L+和M提供,一个电位组中如果有辅助端子,则可以对其中一个辅助端子指定电位,这样AUX总线就有了相同的电位。
深色基座作用是承前启后,左边连接包含电源的P1、P2、AUX总线,再提供给右边基座。也就是说深色基座的L+和M可以为外部提供电源,例如作为传感器电源。
再以B0、B1基座为例,如图7所示。

图7 B0、B1基座电路
对于B0基座,基座没有L+和M端子,只能从左边基座提供电源,左边接头与P1、P2、AUX总线连接,并连接至其右侧基座,电源通过P1、P2总线提供给模块,而AUX连接至基座的辅助端子1A-4A。如果允许P1、P2总线是DC24V,可以连接至以A0浅色基座供电的电位组。
对于B1基座,接头与P1、P2、AUX总线连接,右边连接到后一基座接头。但是总线与基座本身端子与电源完全隔离,基座电路1L、1N、2L、2N只供给基座、模块自身,这就为什么前面说“B1基座并不会通过背板向右边基座供电。此外B1基座如果位于浅色A0与深色A0基座之间时,不影响左侧浅色基座向右侧深色基座的供电”。也就是说B1如果在一个电位组内部,是和电位组本身没有太多交集。
通过类似这种方法,我们可以分析每一种基座电路,这里就不多说了,基座具体说明可以参考手册《SIMATIC ET 200SP BaseUnit》。 手册链接在西门子官网查找。
3、电位组模块数量计算
前面提到了电位组问题,那后一个问题就随之而来,就是一个电位组能有几个模块,这也是热线经常遇到的关于ET200SP的问题,我们现在来看一下。
不说比较特殊的F-PM-E模块,这个输出最多8A。一般情况下一个电位组最多10A,不论A0基座、U0基座、C0基座,以最常用的A0基座为例。
对于10A的使用,主要是看负载情况,而模块本身的损耗很小,以DI 8x24VDC ST模块为例,手册中列出了功率损失,截图如图8所示。

图8 功率损失
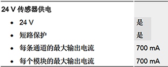
典型值只有1W,也就是大约0.04A,10个模块才0.4A。真正的使用大头在负载侧,还是这个模块为例,如果使用模块本身的DC24V输出,如图9所示的蓝框。那样的话最多可能输出700mA,例如我们连接一些光栅之类的有源的传感器,这个数据就非常可观了,手册截图如图10所示。

图9、模块接线图

图10 DI 8x24VDC ST电流使用
而像AI、AQ这种模块,手册中也都会提到电流使用情况,例如比较常用的AI 8xI 2-/4-wire BA与AQ 4xU/I ST,查阅手册我们就能得知,分别是0.7A和150mA,其中0.7A主要是全是四线制的情况,如果换成两线制会少一些,如图11、12所示。

图11、AI 8xI 2-/4-wire BA 电流使用

图12 AQ 4xU/I ST电流使用
还有就是DQ了,这个是负载电流主要提供方,以常用模块DQ 8x24VDC/0.5A ST为例,手册中只列出了损耗电流,这还是无负载的35mA,如图13所示。

图13 DQ 8x24VDC/0.5A ST电流使用
更多的是DQ所连接的负载,这个就得看连接的什么设备了,模块本身单通道最多0.5A,8个通道就是4A,实际使用多少取决于负载大小,尤其是连接一些像阀门之类的设备电流会比较大,可以查询在负载的手册中查询额定电流。
其他模块也可以照类似方法分析查手册,手册有些参数没有说明的地方,可以看看SIOS网站的设备网页。
最后还有可能的就是深色基座的L+、M对外供电使用的电流消耗。
所以一个电位组能带几个模块,取决于模块类型、负载,包括输出负载,对外电源等方方面面的消耗,需要按上述思路考虑周全,而不能是为了方便,DI一个电位组,DQ一个电位组这种方式,或者每5个模块一个电位组之类的。
4、总结
以上就是ET200SP基座各种常见问题集合,你都明白了吗,如果还有什么问题,欢迎在评论区留言。
