防爆风速风向环境温度仪应用危化品罐区,用于监测风速、风向和温度。它可以帮助预警风向、风速及温度变化,促使采取必要的安全措施,保护作业区域和工作人员的安全。依据AQ3036-2010罐区安全监控设置规范第8.1条之规定,重大危险源罐区应设置风力、风向和环境温度等参数的监测仪器,并与罐区安全监控系统联网。

AQ3036-2010原文
8 罐区气象监测、防雷和防静电装备的设置
8.1 应设置风力、风向和环境温度等参数的监测仪器,并与区安全监控系统联网。
8.2 压力储罐的环境温度监测仪器宜与喷淋水系统联锁(或者手动),抑制储罐压力的升高。
8.3 防雷装备按GB50074设置。定期监测避雷针(网、带)的接地电阻,不得大于10Ω。
8.4 易产生静电的危险化学品装卸系统,应设置接地装置,执行SH3097的规定。
本文以某系统为例,从系统组态角度介绍两种解决方案:
方案一:利用RS485转模拟量信号模块将防爆风速风向环境温度仪输出信号转换为模拟量信号,传输到DCS系统的AI卡件,通过系统组态,实现气象仪数据在DCS画面上的显示、趋势记录、报警。
方案二:采用通讯方式将防爆风速风向环境温度仪输出信号传输到DCS系统的通讯卡。通过系统组态,实现环境温度仪数据在DCS画面上的显示、趋势记录、报警。
准备工作
1、选取现场合适的位置安装固定防爆风速风向环境温度仪的立杆。
2、防爆风速风向环境温度仪至DCS机柜间敷设一条2×1.5mm²电源线和一条RS485专用通讯电缆,现场防爆箱接线。
方案一实施
1、将防爆风速风向环境温度仪输出模块固定到DCS机柜内。VCC和GND端子接DC24V电源,485+和485-端子接风速仪通讯信号;模块输出三路模拟量4-20mA电流信号,分别为AIO1(温度)、AIO2(风速)、AIO3(风向),GND为公共地。将这三路模拟量信号接到DCS卡件上。另外接一路DC24V电源用于防爆风速风向环境温度仪供电。
2、系统组态
①I/O组态,趋势组态,报警组态。依据AQ3036-2010罐区安全监控设置规范4.3.4 风速报警高限设置一级,报警阈值为风速13.8m/s(相当于6级风)。

②流程图画面组态

③编译→下装→发布。
方案二实施
1、将防爆风速风向环境温度仪通讯信号接到DCS通信卡件上。另外接一路DC24V电源用于防爆风速风向环境温度仪供电。
2、联系防爆风速风向环境温度仪厂家提供通讯协议。

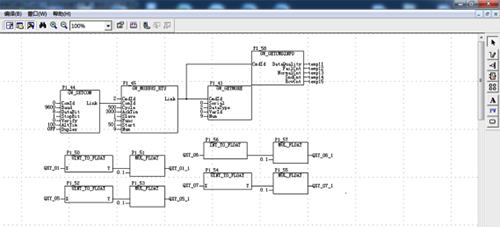
3、系统组态
①算法组态

②流程图画面组态

③编译→下装→发布。流程图绘制依据:
