
乍看到这个图,可以看做一个R、L串联电路,因为呈感性,故在相位上电压超前电流φ角。
电压与电流同相,电源向电机提供电能,电压与电流反向,电机则向电源反馈电能。电机运行,是电源与电机之间不间断的能量交换,而电机的功率,反映的则是电源向电机提供电能的有功分量。

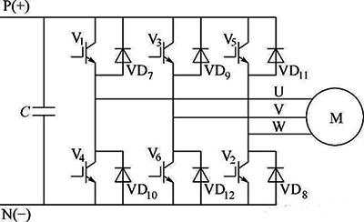
变频器的IGBT是单向元件,只能单向导通,为了给电机与电源提供一个反馈通路,故在每只IGBT上反并了一个二极管,只不过,反馈的电能用于对电容充电。如下图:

IGBT的控制信号为电压信号UGE,通常为±15V,绝缘栅极与发射极之间的阻抗很大,信号电流与功率都比较小,这属于控制电路的特点。
IGBT的主体部分要承受高电压和大电流,相当于接触器的主电路,受控制信号控制,实现接通与关断,不过,频率要比接触器可高多了。
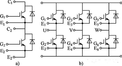
变频器所用的IGBT已经模块化,所以,常称之为逆变模块。比如下图中的a图,为双管模块,b图则为六管模块。

一台变频器若采用双管模块,则需要三块,若采用六管模块,有一块就够了。不管是双管,还是六管,若变频器在运行中有一块出现击穿,就会直接导致正负极短路,若在交替导通过程中,原来导通的IGBT尚未完全截止,而另一个IGBT又开始导通,也必将造成正负极“直通”,“嘭”的一声响,指定会非常吓人。这就是传说中的“变频器炸机”。

IGBT的每次导通截止,都会消耗一定能量,载波频率越高,IGBT开关次数就多,消耗的能量也就越大,产生的热量也就会越多,表现出来的,就是IGBT温度升高,而半导体功率器件最害怕的就是温度,温度一旦过高,就容易导致其击穿,所以,在变频器逆变模块IGBT都会安装专用的散热风机给其散热。
可见,散热风机该是多么的重要!该散热风机为高速风机,一般为DC24V,可温控开启,可手动开启,属于易损件,需要定期更换。
IGBT温度过高,会先报警,后停机,目的也是保护半导体器件击穿。目前,所使用的工业级IGBT,比如英飞凌IGBT4,其结温最高温度为125℃,超过该值,就会导致晶体管损坏。所以,变频器温度高跳机通常控制为100℃上下。
变频器运行时,IGBT温度是需要重点关注的参数,它能反映运行电流的大小、散热风机的好坏及变频器载波频率的高低,对正确判断变频器的运行状况意义重大。
变频器使用已经非常普遍,但仍属于价格比较贵的设备,对它的运行状况要格外重视,一旦出现问题,带来的问题也比较麻烦。相比于其他板件,IGBT出现问题的概率还比较高,损失也会比较大。
