

红外线分析仪的优缺点
1、红外线分析仪优点
①能测量多种气体:除了单原子的惰性气体(He,Ne,Ar等)和具有对称结构无极性的双原子分子气体(N2,H2,O2等)外,CO,CO2,NO,NO2,SO2,NH3等无机物,CH4,C2H4等烷烃,烯烃和其他烃类及有机物都可用红外分析仪进行测量。
②测量范围宽:可分析气体的上限达100%,下限达几个ppm的浓度。当采取一定措施后,还可进行痕量(ppb级)分析。
③灵敏度高:具有很高的检测灵敏度,气体浓度有微小变化都能分辨出来。
④精度高:一般都在±2%FS,不少产品达到或优于±1%FS。与其他分析手段相比,它的精度较高且稳定性好。
⑤反应快:响应时间T90一般在10s以内。
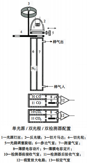
⑥有良好的选择性:红外分析仪有很高的选择性系数,因此它特别适合于对多组分混合气体中某一待分析组分的测量,而且当混合气体中一种或几种组分的浓度发生变化时,并不影响对待分析组分的测量。也就是说,红外分析仪只对待分析组分的浓度变化有反应,而背景气体(除待分析组分外的其他组分都叫背景气体)中干扰组分的浓度不管怎样变化,对仪器的测量精度都没有影响。因此,用红外分析仪分析气体时,只要求背景气体干燥、清洁和无腐蚀性,而对背景气体的组成及各组分的变化要求不严,特别是采取滤光技术以后效果更好。这一点与其他分析仪器比较是一个突出的优点。
2、红外线分析仪缺点
在多组分定性、定量以及痕量分析中没有在线过程色谱仪、质谱仪、近红外分析仪等功能强大。
