温度变送器按照供电方式可分为二线制温度变送器和四线制温度变送器。二线制温度变送器输出端输出信号和电源共用一根两芯电缆;四线制温变送器电源用一根两芯电缆、输出端输出信号用一根两芯电缆。温度变送器校验依据国家标准为《温度变送器校准规范 JJF 1183-2007》。

1、二线制热电偶温度变送器具有参考端温度自动补偿时接线如上图
1.1 taptap登录游戏制造有限公司温度变送器(YR-ER213或YR-ER211)输入信号为热电偶时,校验智能温度变送器按照此图接线。其他厂家生产的温度变送器接线也相同。

1.3 温度变送器精密测量方法:
根据热电偶分度表上对应的电势值,直接由毫伏信号发生器模拟热电偶输出信号,测量温度变送器输出的4-20mA信号,计算出变送器的测量精度。
这种测量方法可以消除测量过程中冷端温度变化引起的测量误差,但补偿线本身引起的测量误差还是无法消除。这种方法一般在实验室测量和温度变送器生产厂出厂校验时使用。

2、二线制热电偶温度变送器无参考端温度自动补偿时,变送器校验接线如上图
2.1 上图使用于二线制热电偶温度变送器无参考端温度自动补偿时。
2.2 带补偿的热电偶温度变送器采用实用测量法进行校对时,也采用这种接线方式:
在变送器输入端放置一个温度计,测得冷端温度值,由分度表查得此温度电势值Eω,再根据热电偶分度表的电势值E0,由毫伏信号发生器输出(E0-Eω)值,即模拟热电偶的输出,测量热电偶温度变送器4-20mA电流输出值,计算变送器的测量精度。这种方法存在环境温度变化和温度计测量冷端误差两方面,无法消除这两方面带来的测量误差。因此,通常作为现场零时比对测量时使用,不做为温度变送器检定校验使用。

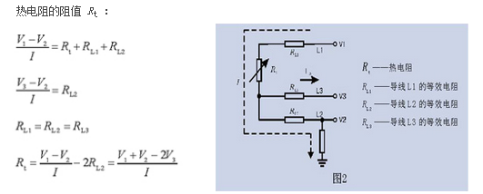
3、二线制热电阻温度变送器校验接线如上图
3.1 热电阻信号必须采用三线制接入温度变送器,有利于获得更高的测量精度。文章“Pt100两线制、Pt100三线制和Pt100四线制接线对测温精度的影响”中有详细介绍。三线制要求三根导线的材质、线径、长度一致且工作温度相同,使三根导线的电阻值相同,即RL1=RL2=RL3。通过导线L1、L2给热电阻施加激励电流I,测得电势V1、V2、V3。导线L3接入高输入阻抗电路,IL3=0。

3.2 taptap登录游戏制造有限公司智能温度变送器(YR-ER213或YR-ER211)输入信号为热电阻时,校验智能温度变送器按照此图接线。其他厂家生产的温度变送器接线也相同。

4、四线制热电偶温度变送器具有参考端温度自动补偿时,变送器校验接线如上图
注:最常见导轨式热电偶温度变送器(一入一出、一入二出等)和架装式热电偶温度变送器接线按照此图进行。

5、四线制热电偶温度变送器无参考端温度自动补偿时,变送器校验接线如上图

6、四线制热电阻温度变送器校验接线如上图
相关阅读
◆温度变送器调校技能
◆一句话说温度变送器校准方式
◆温度变送器校准规范JJF 1183-2007
◆如何设置fkswngYR-ER213温度变送器量程及分度号
