fkswng仪表整理了若干现场应用场景的控制方案示例和控制方案应用注意事项分享给大家,希望能让仪表人迅速了解这些现场应用场景的自控系统该如何去设计和优化。
1、离心泵出口流量控制

①控制动作说明:通过泵出口管线上的流量测量信号来使控制阀动作,从而控制泵出口的流量。
②应用注意
a)控制阀设置在不影响节流元件的位置;
b)控制阀前后的压差不应小于泵出口压力力之差的一半;
c)用于泵不会喘振或汽蚀的场合;
d)能量部分消耗在控制阀上,总的机械效率较低;
e)不宜在流量低于正常排量的30%时使用。
2、蒸汽透平驱动离心泵出口流量控制

①控制动作说明:通过打开和关闭设置在蒸汽透平入口蒸汽管线的控制阀,调整蒸汽透平的转速,控制泵出口流量。
②应用注意
a)经济实用,但由于蒸汽透平的惯性,响应速度很慢;
b)供应蒸汽压力和蒸汽凝液压力需恒定;
c)用在大功率泵或重要泵的场合。
3、电机驱动离心泵的出口流量控制

①控制动作说明:控制阀安装在定速驱动的泵出口回流管道上, 通过测量回流管分支点的管道流量来控制流量。
a)是一个经济的方案,但它可防止大容量泵在预期死区操作时出现 烧坏泵的事故;
b)总的机械效率控较低;
c)压差大流量小, 控制阀口径较小
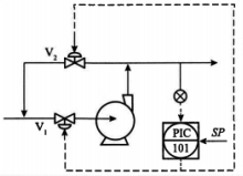
4、旋转类泵的出口流量控制

①旋转类泵的出口流量控制方案一作说明:孔板下游的控制孔板下游的控制阀V1和回流管线上控制阀V2的动作是相反的,调节器的输出同时作用到V1、V2来控制泵出口流量。
②应用注意
a)确保泵出口安装止回阀;
b)在正常操作时,经过V1、V2的流量应接近1:1,但在确定V2的口径的情况下,可回流泵的总排出量

③旋转类泵的出口流量控制方案二作说明:在控制泵出口流量时,同时利用控制回流来控制泵出口的压力。
②应用注意
a)必须在泵出口管线上设置止回阀;
b)在确定V2阀的口径时,应考虑当V,关闭情况下,应能通过全部的排出量。
5、旋转风机的出口流量控

①控制动作说明:流量较大的情况下,流量通过阀V1控制,流量进一步减小时,保持阀V1开度不变,再通过阀V2控制。
②应用注意:注意吸入管线流量不能低于某一临界值。
6、蒸汽透平驱动往复泵的出口流量控制

①控制方案一:在泵出口设置流量控制,并通过蒸汽透平的蒸汽量来控制泵出口的压力。
②应用注意
a)在引压管中采取防止脉冲的措施;
b)选择合适的压力控制阀口径;
c)适用于要求压力稳定、流量变化较大的场合

③控制方案二:通过改变透平驱动蒸汽量,来改变泵的转速,从而控制泵的排出量。
④应用注意
a)当孔板下游侧的压力波动小时,采用该方法可以有效进行控制;
b)仪表设备投资大约为方案一的50%;
c) 适用于要求流量稳定的场合。
7、压缩机的防喘振控制

①控制方案一说明:固定极限流量法,压缩机在任何转速下运行时,设定极限流量恒定。
②应用注意
a)设定的极限流量恒定;
b)使用仪表少,可靠性高;
c)适用于固定转速或负荷不经常变化的场所。

①控制方案二说明:可变极限流量法,在整个压缩机负荷变化范围内,极限流量随转速的变化而改变。
②应用注意
a)压缩机制造厂根据喘振线提供相应的计算常数;
b)使用仪表较多,可靠性高;
c)控制方案有多种形式。
8、换热器温度控制

①控制方案一说明:利用入口蒸汽管线上的控制阀,来控制换热器内换热蒸汽量,蒸汽冷凝液采用疏水器排出。
②应用注意
a)蒸汽疏水器应采用连续疏水式;
b)当采用液体介质作为加热源时,经换热后应无相变。

③控制方案二说明:采用温度控制器和流量控制器进行串级,控制换热器出口管线上设置的控制阀。
9、蒸馏塔塔顶回流混合温度控制

①控制动作说明:蒸馏塔顶部回流是通过混合温度不同的两种液体来控制一种液体温度的实例。例中,由于回流罐的液体是用泵来进行塔顶回流,因此采用温度与流量串级来精确控制塔顶的温度。
②应用注意:两种待混合液体必须均匀且稳定混合。
未完,待续。
