
解耦控制特点
解耦控制系统的设计原则:充分考虑多变量控制系统的稳定性、非关联性以及准确性原则。自治原则,对于系统之间的关联,设计时应对被控变量和操作变量进行合适配对,使其相对增益尽可能接近1;解耦原则,在各变量之间有严重关联时,需选择合适的解耦控制方法;协调跟踪原则,将控制系统分解为若干具有自治功能的系统,减小关联,并应对各个自治控制系统进行协调,组成协调控制系统。
解耦控制减少耦合的途径
被控变量和操作变量之间的正确匹配;PID控制器参数的合理整定,将控制系统的工作频率错开,使PID控制器的控制作用强弱不同;减少控制回路,将PID控制器参数整定到极限位置,次要控制回路PID控制器的比例度取无穷大,使其失去对主要控制回路的关联;串联解耦装置;设置多变量解耦控制器。
解耦控制应用注意
简单解耦时控制器的输出需初始化设置;偏置值的设置,解耦控制系统的实质是前馈补偿控制,多变量解耦应考虑各自的影响,并经代数叠加后作为系统的偏置值;动态耦合的影响,考虑对象的动态特性,可得到动态相对增益;解耦装置需简化。
解耦控制的示例
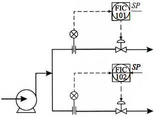
解耦控制的示例1:关联管道过程的耦合

解耦控制的示例2:塔顶、塔底温度控制

解耦控制的示例3:锅炉、汽轮机、发电机控制

相关阅读
◆说说复杂控制的定义
◆仪表工该如何处理复杂控制系统振荡故障
