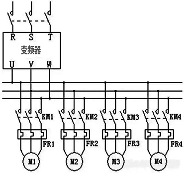
变频器一拖多同时启动
在一些控制场合中,现场使用的多台电动机的运行频率完全相同,或者多台相同电机驱动同一负载,需要负荷均衡时,比如大型流水线的电机的运行。为降低设备造价并且提高设备的性能价格比,这时往往会采用一台容量较大的变频器拖动多台电动机。这种控制方式我们叫做同时启动,用一台变频器同时驱动多台电机同启同停。

变频器一拖多分时启动
还有一些控制场合里一台机器上有多个驱动轴,并且每个驱动轴启动时间都是错开。可以将变频器输出相当于电源了,电机在变频器的输出后面进行切换,这种控制场合变频器一拖多叫做分时启动,也就是一台变频器分别在不同时刻驱动多台电机,这样也可以减少变频器的数量,节省成本。这种控制要注意绝对要保证两台电机不允许同时工作,否则将会过载。

一拖多同时启动控制变频器选择
在用一台变频器同时控制多台电机启动、停止时,由于电机的数量比较多,主要应考虑的问题就是如何计算选择出型号合适的变频器。可以根据变频器下面两个方面的经验进行选型。
①变频器容量选择
选择变频器的额定容量要大于或者等于多台电机容量之和。
②变频器电流选择
变频器的额定工作电流应大所有电机额定电流的总和的1.2倍以上。多台电机同时启动时同时满足这两个条件是比较安全。
一拖多同时启动控制注意事项
在一拖多同时启动的场合下,变频器只能使用开环V/F工作模式,其原因是在转矩矢量控制模式中,变频器需要检测电动机的有关参数如定子绕组的电阻、定子绕组的漏电抗等,显然不适合一拖多同时启动的情形。
一拖多同时启动所带电机的功率之间不能差异太大,一般不要相差二个功率等级以上。异步电机最好是同一个厂家生产制造,同功率的电机,最好是同一批次的,以保证电机特性的一致,最大程度使电机的转差率一致,以保证良好的同步性能。
充分考虑电机电缆的长度,电缆越长,电缆之间或电缆对地之间的电容也越大,变频器的输出电压含有丰富的高次谐波,所以会形成高频电容接地电流,对变频器的运行产生影响。电缆的长度以接在变频器后的所有电缆的总长度计算。电缆的总长度在变频器允许的范围。必要的时候,应在变频器的输出端安装输出电抗器或输出滤波器。以补偿导线过长分布电容过大造成的漏电流影响。
为了保护电机,单个电机的过载保护需要用户自己做。每台电机前应安装热继电器。
对于需要快速制动的应用场合,为了防止停止时产生过电压,应加制动单元和制动电阻,有的小功率的变频器已内置制动单元,因此只需接制动电阻即可。
