
晶体管输出类型的PLC是不能直接接交流接触器的线圈,但是可以找到一个“中介”,晶体管输出类型的PLC驱动“中介”,然后“中介”控制交流接触器线圈的接通,这个中介是何方神圣呢?这个中介就是中间继电器,需要注意的是这个中间继电器的线圈的电压等级必须是直流24V,该中间继电器和底座两部分构成了图中所示的中间继电器,上面的继电器是插在底座上面的,与中间继电器的接线是通过连接底座上端子构成。

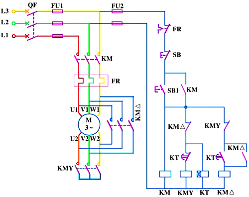
下面以三相异步电动机星-三角形降压起动为例,讲解晶体管输出类型的PLC怎么驱动交流接触器的线圈。下图是三相异步电动机星-三角形降压起动的电气原理图,将电气原理图中的控制电路用PLC控制实现。PLC选择S7-1200,CPU为1215C DC/DC/DC型号。

首先确定PLC的输入量与输出量,通过分析控制电路可知,输入量为启动按钮SB1、停止按钮SB2和热继电器触点FR,输出量为KM线圈、KM星线圈和KM角线圈。I/O地址分配表如下表所示。

根据I/O地址分配表和PLC型号,设计PLC的外部接线图和继电器转换电路如下图所示。PLC的继电器输出类型输出端接三个中间继电器,然后用相应中间继电器的常开触点控制相应交流接触器的线圈即继电器转换电路。继电器转换电路的电源电压等级是由交流接触器的线圈额定电压确定的,通过上述方面就可以实现了晶体管输出类型的PLC驱动交流接触器。

通过上述分析总结如下:
1、晶体管输出类型的PLC只能接直流负载,不能接交流负载;
2、如果晶体管输出类型的PLC需要驱动交流接触器的线圈时,需要中间继电器作为中介,先由晶体管输出类型的PLC需要驱动中间继电器,在经过继电器转换电路,即由中间继电器的常开触点控制交流接触器线圈得电;
3、中间继电器的线圈的电压等级必须是直流24V;
4、继电器转换电路的电源电压等级是由交流接触器线圈的额定电压确定。
相关阅读
S7-1200 PLC系统接地规范
S7-1200 CPU型号的性能和接线 S7-1200入门必读
