
使用DVC2020定位器防喘振阀典型气路图

描述:使用DVC6020定位器时整个气路的功能在正常情况下实现精确的阀位控制,快开慢关;在紧急情况下(失气、失电)下快速打开阀门以保护风机。
如防喘振阀典型气路图所示:正常情况下,两个电磁阀带电,对三通电磁阀,1和2通;两通电磁阀,1和2断开。这时经过过滤减压后的空气分成三路,一路经单向阀到四通,然后到气路放大器2625、储气罐、多路转换器377的F口;一路经三通电磁阀后,到多路转换器377的SUP口,SUP口的气压压缩377内部弹簧,这样在377内部气路中,A口和B口通,D口和E口通;另一路到定位器DVC6020的SUP口,作为DVC的气源。当控制信号(控制系统DCS/PLC输出到DVC6020的4-20mA信号)增大时,定位器DVC6020的A口输出增大,B口输出减小;增大的A口气压经377AB口、快排阀后作用在汽缸(1061执行机构)上腔;B口的气压经377DE作为气路放大器2625的输入信号,控制2625输出到汽缸(1061执行机构)下腔的压力;这时,汽缸活塞上部的压力下部的压力+管道风压作用在碟版上的力,活塞往下运动,有铭牌上ACTION:PDTC可知,阀门开口度减小。反之,控制信号减小,定位器A口输出减小,B口增大,这时由于有快排阀和气路放大器2625的作用,活塞快速往上运动,防喘振阀实现快开。
当电磁阀失电,对三通电磁阀1和3通,两通电磁阀1和2通;这时,377SUP口的压力经三通电磁阀3口卸掉,377在内部弹簧的作用下,气路发生转换。B口和C口通。E口和F口通;储气罐的气加上气源的气经377FE口作为气路放大器2625的控制信号,由于这时储气罐的气压很高(等于减压阀的出口压力)。使2625全开,储气罐里的气和气源的气以最大流量经2625进入汽缸下腔,上腔的气经快排阀、两通电磁阀快速排向大气,阀防喘振快速打开。
当失气时,由于有单向阀的存在,使得储气罐的压缩空气不致倒流。整个原理同失电一样,只是使防喘振阀快开的只有储气罐里的压缩空气。
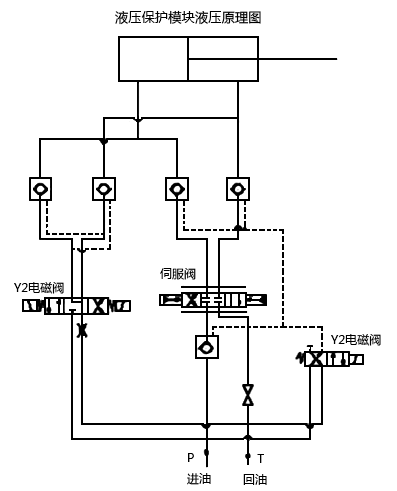
液压保护模块功能
液压保护模块采用液压锁紧方式控制电液伺服阀的进出油路和负载油路(详见液压保护模块液压原理图)。

液压保护模块主要有以下三种功能:
1、锁位功能
当系统处于正常状态时,液压锁处于导通状态,电液伺服控制系统随调节器信号及负载情况及时调节静叶角度或阀门开度。当由于非常原因(伺服控制系统中某控制原件发生故障,或其他干扰因素)使静叶角度或阀门开度与设定值偏差较大或完全失控时,电磁阀Y1通电,使液压锁处于关闭状态,切断电源伺服阀进出口油路和负载油路,即时将静叶或阀门就地锁定。此时,受控对象的位置将锁定在故障发生时的位置,使用户可进行故障的判断和处理。
2、点动功能
自动控制回路处于锁定状态时,如果静叶角度与或阀门开度所要求的位置偏差较大,可以启动电磁调节系统,以点动方式对静叶角度或阀门开度进行修正。即使电磁阀Y2的两个电磁铁通电,控制伺服油缸左、右缓慢移动,达到指定的位置(注:这时静叶或阀门不受伺服系统的控制),以使静叶或阀门不会完全失控,可以继续维持系统工作。电液伺服控制油路和电磁调节油路并联使用。通过液压锁的切换,两种工作状态之间不会互相干扰。
3、在线更换系统其它设备
当电液伺服控制系统中某些设备(如伺服阀等)出现故障时,不需停泵即可对其进行在线更换,这样就可以保证生产的正常进行。
相关阅读
调节阀选用注意事项及经验
