电涌电流的分配
当电源由室外箱变引至设有防雷装置的建筑物内时,GB50057-2010 4.3.8条第4款要求:应在低压电源线路引入的总配电箱、配电柜处装设Ⅰ级试验的电源电涌保护器。
设有防雷装置的建筑物内的电气和电子系统,可能遭受雷击(S1损害源)时的地电位反击,也可能承受室外箱变及其埋地线路遭受雷击(S3损害源)的闪电电涌侵入。按照GB50057-2010,通常可仅考虑更严酷的地电位反击危害。
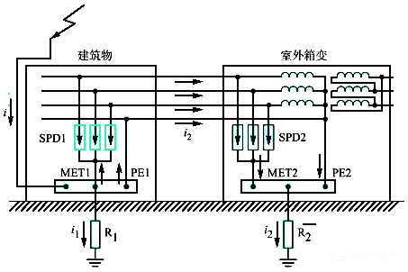
如果不考虑其他服务设施分流的因素(或引入处采用非金属管道和非金属线路)的前提下,根据电阻耦合原理,雷击建筑物的全部雷电流在建筑物的接地装置和室外箱变的地之间分配,见图1。

图1 雷击后的电阻耦合示意图
根据相关试验,施加雷电流i为200kA、10/350μs雷电流,建筑物和室外箱变的接地电阻R1=R2=30Ω时,电力电缆长度分别取50m、500m和1000m,雷电流分布见图2(引自GB/T19271.3-2005/IEC TS 61312:2000《雷电电磁脉冲的防护 第3部分:对浪涌保护器的要求》,此规范已于2017年12月15日废止)。

图2 接地装置和配电系统之间雷电流分布图
在冲击电流的初始阶段,雷电流的分配由系统的电感确定,到冲击电流的波尾阶段,电流的变化率较小,电涌的分配将由系统的阻抗确定,随着室外电缆长度增加,电源线路的阻抗增大,进入室外箱变接地装置的雷电流会相应减小。因此,雷电流的分配依据接地路径的阻抗分配,为方便估算,通常建筑物电气装置的接地极∞和室外箱变接地极之间按50%-50%分流原则。

室外箱变电源电涌保护器(SPD)的选择
电涌电流进入箱变的低压绕组后泄放入地,低压侧侵入的雷电流在低压绕组上的过电压并不高,但是,变压器低压侧的过电压会在变压器高、低压绕组间发生电磁耦合,按变压器的变比变换到高压侧,形成高压侧的过电压。这种低压侧遭雷击变换到高压侧的过电压称为正变换过电压。
由于变压器高压绕组的绝缘裕度远低于低压绕组,因此常会出现变压器低压侧落雷,低压侧绕组未损坏,而高压侧绕组因正变换过电压而损坏的现象,因此,有必要在箱变的低压侧设置SPD泄放电涌电流。
根据电涌电流的分配情况,箱变的接地装置需要泄放和建筑物相当的电涌电流。进入电源系统的总雷电流小于进入建筑物接地装置的总雷电流。因此,在室外箱变低压侧设置不大于12.5kA、10/350μs的SPD已经充分。
作者:陈谦(中国建筑学会雷电防护学术委员会委员,全国建筑电气设计技术协作及情报交流网理事,全国雷电防护标准化技术委员会SAC/TC258委员,全国建筑物电气装置标准化技术委员会SAC/TC205委员)
相关阅读
客观评价和筛选电涌保护器SPD的一点建议
低压配电系统安装电源SPD的数量如何确定
信号隔离器、安全栅和电涌保护器SPD在功能和用途上的区别
