工业废液焚烧炉是一种将工业废液进行高温焚烧无害化处理的环保设备。根据炉本体的特征,常用的炉型有喷射焚烧炉、机械炉排焚烧炉、回转窑焚烧炉和流化床焚烧炉等。
其一般由废液储存及输送系统、辅助燃烧系统、供风系统、废液燃烧器、燃烧控制系统、能 量回收系统、烟气处理系统和尾气检测控制系统等部分组成。其中的燃烧控制系统是焚烧炉的核心组成部分,直接影响到焚烧炉的安全稳定运行。
中石化巴陵公司己内酰胺部废液焚烧装置是己内酰胺生产过程中的重要环保装置,用于处理 来自环己酮装置的皂化废碱液和己内酰胺装置的苯萃残液及离交废水经浓缩后的浓缩废液,以实现达标排放,并副产固体碱和中压蒸汽,具有良好的社会效益和经济效益。新的废液焚烧装置于2017年开工建设,2018年10月建成投产,目前运行情况良好。本文简要介绍该装置的工艺流程,重点对其核心部分的燃烧控制系统的构成、控制过程以及安全保障等作详细的阐述。
1、工艺流程
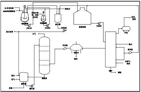
浓缩废液与皂化废碱液进入静态混合器,经混合后进入预处理罐,由预处理搅拌器充分搅拌 中和,然后经废液泵加压送至皂化液储槽。
储槽内废液经泵加压送入皂化废碱液喷枪,以微小液滴形式播散于炉内悬浮干燥,并在炉膛 空间进行燃烧(悬浮燃烧)。燃烧后的灰分随烟气至锅炉尾部沉积或被电除尘器捕集回收。
回收的固碱中主要成份为Na2CO3。较大的颗粒在炉膛空间来不及燃烧,落到炉底垫层上燃尽(垫层燃烧),高温下呈熔融状由炉底溜子槽排入渣碱回收装置回收渣碱。烟气中的NOx和SO2通过脱硫脱硝技术,用稀氨水作为还原剂,氨将焚烧烟气中的SO2吸收,与烟气反应脱去氮氧化物,使排放的烟气中达到国家标准。
皂化液在炉膛内燃烧必须有燃料油或天然气助燃,当皂化废碱液和燃料油(重油)在炉内燃 烧时,重油先经油加热器加热,再由油枪蒸汽雾化后喷入炉内燃烧;天然气由界区外供给。炉内燃烧所需的O2由鼓风机送入空气加热器,经蒸汽加热后,再分两段送入炉内。
一次风由下部送入,起稳定热源作用,二次风作为炉膛内的补充空气,提高燃烧效果。油枪 配风供油枪或天然气枪燃烧使用。
脱盐水经锅炉给水泵流经省煤器后进入上锅筒,在上锅筒内的汽水分离装置将干饱和蒸汽送 出,供装置使用并将富余蒸汽送入管网。简要工艺流程示意图见图1。

图1 工艺流程简图
2、燃烧控制系统
①燃烧器种类
燃烧器是各种加热设备(锅炉、烘干设备以及工业炉等)的核心部件,为相关过程提供热量。燃烧器种类较多,根据燃料不同可以分为燃油燃烧器(重油和轻油燃烧器)、燃气燃烧器(液化气、工可燃尾气和沼气燃烧器)、油气两用燃烧器(既可以燃油,又可以燃气的复合型燃烧器)以及煤粉燃烧器。
己内酰胺部废液焚烧炉为复合型油气燃烧器,运行时天燃气和重油燃料二者取一,燃烧器配备燃油枪和燃气枪,各枪可单独燃烧,火焰均匀,拆卸方便,且各枪均能满足设计负荷。
燃烧器在设计负荷调节比5:1范围内和相应的过剩空气系数条件下具有稳定的火焰,刚直有力,不舔炉管,不发飘;喷枪要求不泄露、不易堵塞以及不易结焦。
②燃烧控制系统构成
燃烧控制系统的作用是控制好焚烧炉的助燃系统,以确保废液在炉内燃烧状况良好。主要由 PLC控制器、燃气(燃油)切断阀、电磁阀、油气燃烧器、废液燃烧器、火焰检测器以及检漏装置等构成。
③安全联锁控制方案
1)安全联锁控制方案
为了确保炉膛安全运行,8个燃气(油)烧嘴的火焰检测信号对炉膛安全运行起着至关重要的作用。一旦炉膛火焰熄灭,必须能及时切断燃气(油),防止可燃气体或油雾进入电除尘室引起闪爆。
由于本废液焚烧炉的工况特殊,炉膛产生的碱块易砸熄火焰,为了既能尽量防止火焰检测信号意外熄灭而引起联锁频繁误动作,又能保证安全,该联锁逻辑采用了8取3(8≈3)的联锁方式。即当8支燃气(油)枪正常的火焰检测信号少于或等于3时才联锁切断燃气总阀和供油泵。
另外如果气泡压力≥1.33MPa,气泡液位≤10%时为了防止压力容器气泡超压或干锅引起爆裂,同样需联锁切断燃气总阀和供油泵。具体联锁逻辑如下图2(联锁条件启动为“1”)。

图2 安全控制联锁逻辑图
2)节能控制方案
废液焚烧炉供风系统采用2台吹风机和2台引风机,每种机组采用的是一开一备方式,当2台吹风机或2台引风机都停运时,应联锁停炉,即联锁切断燃气总阀和供油泵,防止燃气(油)在炉膛内不能充分燃烧,造成能源浪费。具体联锁逻辑如下图3。

图3 节能控制联锁逻辑图
④点火控制过程
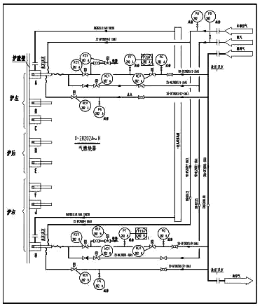
该焚烧炉共由八组燃烧控制系统组成,分别分布在炉左3个、炉右3个及炉后2个。由于每组的构成和控制方案完全一致,这里只阐述其中一组的控制过程,其它各组的控制过程完全相同。图4为A组和H组的燃气系统控制流程图,图5为A组和H组的燃油系统控制流程图。

图4 燃气系统控制流程图

图5燃油系统控制流程图
1)点火前的准备工作
管道必须清洁且已完成气密、试压要求;
如烧重质油,管道和油枪应该充分预热,以保证燃油流动十分畅通;
调节炉前的蒸汽压和油压,使二者最好相等,或尽量靠近;
按常规打开烟道档板及引风系统;向炉膛吹蒸汽10-15min,看到烟囱冒白烟,这时方可准备点火。
2)燃气燃烧器点火程序
确认锅炉引风机、鼓风机已开,系统各项条件具备;
打开燃烧器助燃风进行炉膛吹扫3-5min;
先由阀门检漏装置对主火管路燃气切断阀检漏,确认无泄漏后准备点火;
启动一键式点火按钮,发出点火指令(DCS或就地控制柜);
先点长明灯:点火推进器进入位置,启动高能点火装置,在点火开始后的前5s内长明灯、燃气切断阀同时打开,5s结束后无论是否点燃长明灯,高能点火装置总是停止工作。
此过程中火焰检测器对火焰进行监测,若能检测到火焰,则表示长明灯已经点着,燃气切断 阀保持打开状态,并在控制系统指令下进入正常工作状态,点火成功后点火推进器退出。
在整个长明灯燃烧过程中,火焰检测器始终监测火焰,一旦熄火,立即切断燃气切断阀,并 进行熄火报警。若高能点火装置在5s点火过程结束后,火焰检测器检测不到火焰,即长明灯没有点着,则立即关闭燃气切断阀,同时点火推进器退出。再重新用氮气对炉膛进行吹扫 3~5min后,按以上程序重新点火;
长明灯点燃后,用长明灯对主气枪进行点火。确认助燃风已打开后,开启主气枪,燃气切断阀,用长明灯进行点火,点火5s内,若主气枪火焰检测器检测到火焰,表示气枪已经点着,主火燃气切断阀继续保持打开状态,并在控制系统指令下进入正常工作状态。
若5s内检测不到火焰,则主火燃气切断阀关闭,待重新吹扫3-5min后,按以上程序对主气枪重新点火。点火成功后让小火烧5-10min,确认没有问题就可按工艺要求进行调火。
3)燃油燃烧器点火程序
按上述点火方式先点燃长明灯;再点主油枪;开启主油路切断阀后,先手动打开一点点助燃风,再用手动阀开一点点雾化蒸汽,慢慢用手动阀开油直到火点燃。
如果没点着火,应立即关闭油枪手动阀,蒸气吹扫10-15min后,重复以上点火程序。点火成功后,主油枪火焰检测器检测到火焰,主油路切断阀继续保持打开状态,并在控制系统指令下进入正常工作状态。烧小火稳定10~20min,就可调火,直到火焰白亮明净,长粗适宜。
4)喷液
观察油(气)枪的火焰燃烧状况,如达到条件,即开启废液泵和阀门,向炉膛喷液焚烧。通 过调整废液和蒸汽的流量,以达到最佳雾化效果,观察喷液燃烧的火焰状况,直到满足要求为止。
以上控制过程均由PLC控制系统自动控制完成(手动操作部分除外),火焰运行状态及各切断阀的开关状态均在DCS上进行实时监测显示。
3、安全措施
一个全自动燃烧过程必须有自动吹扫、自动点火、熄火保护、漏气检测以及燃气压力、助燃空气压力保护等项安全措施。
①燃气泄漏是最主要的危险因素,保证主燃气阀的检漏装置准确无误十分重要。
②烧嘴内设置稳焰板,点火电极置于回流区,保证点火顺利和火焰的稳定,以防离焰和脱火,火焰与烧嘴金属壁留有足够的接触面积。
③采用两种检测原理的火焰检测器,即电离式和紫外光敏式,以确保监测可靠。火焰检测器带有自诊断功能,一旦故障,则自动切断电源。对紫外火焰检测器,要注意安装的角度和离火焰的间距,既要防止盲区,又要防止被高温烧坏。
④合理设置吹扫时间。每次点火前,必须吹扫充分,保证在炉膛内不形成爆炸性气体。对燃气燃烧器采用氮气吹扫;对燃油燃烧器采用蒸汽吹扫。
⑤保证燃气压力和助燃风压力的稳定,设置低压保护联锁。
⑥选用质量可靠的PLC控制器、电磁阀、切断阀、火焰检测器等关键控制仪表设备。
⑦保证管道内清洁干净,管路之间连接可靠并远离热源。
4、结语
焚烧炉的应用十分广泛,将工业废液、工业废气、固体废弃物燃料、医疗垃圾以及生活废品 等利用焚烧炉进行高温燃烧,以达到无害化处理的目的,从而实现环境保护。
当然,对于不同的燃烧对象,选用的焚烧炉的形式也不尽相同,配用的燃料和燃烧控制系统 也有差异,但保证燃烧控制系统的稳定和安全运行是主要目标,燃烧效率和节能指标也要考虑,要求因炉施策,合理设计,正确使用。
作者:伍友武、姜卫平
