接入隔离器的4-20mA信号分为有源和无源两类,二线制4-20mA为无源信号,三线制和四线制制4-20mA为有源信号,二线制/三线制/四线制4-20mA电流信号与隔离器的接线各不相同。本文以fkswng仪表隔离器YR9034A-0-GNNN-N为例介绍二线制/三线制/四线制4-20mA电流信号与隔离器如何接线。
1、四线制4-20mA信号
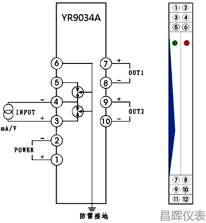
如下图所示,四线制仪表使用单独供电电源,传输的信号为有源信号,所以,将信号线直接接在信号隔离器信号输入端(3+,4-)上。

2、二线制4-20mA信号
如下图所示,二线制仪表没有单独的供电电源,需要隔离器给仪表供电,然后仪表再反馈电流信号给信号隔离器输入端。所以,将现场仪表的电源线接在隔离器5脚上,反馈信号线接在3脚上。

3、三线制4-20mA信号
如下图所示,三线制仪表有三根线,分别是电源线、信号线、公共负极。所以,将现场仪表的电源线接在信号隔离器5脚上,信号线接在3脚上,公共端接在4脚上。

相关阅读
两线制和四线制仪表在结构上有什么区别
