控制系统竣工文档资料交接规范

2020/12/21 0:25:44 人评论 次浏览 分类:调试维修  文章地址://www.fkswng.com/tech/3508.html

在工业自动化控制系统的项目实施后期,施工单位(系统集成商、撬装设备供应商等)要将相关的图纸资料更新到最终版状态并汇总成为竣工资料,交接给最终用户单位。

竣工文档资料的整理,从施工单位角度来说,是项目收尾、资料归档的重要环节,便于日后的查阅与借鉴,同时也是公司项目经验积累的重要组成部分;从最终用户角度来说,是项目竣工之后日常维护、故障检修、升级改造的重要依据。


竣工文档资料主要包括:图纸、文档、手册、软件(授权)、终版程序等。


基本要求

1、文档及相关资料应尽早提交,从而给业主单位专业对接的控制系统工程师充足的时间来审阅,有任何问题及时反馈整改,重新提交。否则,这些问题将记录在整改(尾项)清单上,影响项目竣工验收进度;项目尾款的支付也将滞后。
Document & related information should be submitted as early as possible, to give enough time to Control System Engineer to check and review. Any mismatched and unsatisfied will be reply as comments, and need to be re-submitted.Otherwise, these items will be added into Punch list even DRR list.

2、所有提交的文档,要求是监理审核通过的版本。

All documents submitted should be the version approved by PMC.

3、清单类文档,如:采购清单、备品备件清单、IO表等,不仅要求提交PDF版,同时还要提交Excel版本,便于后期信息汇总及设备管理。

For the “List type” document, not only “PDF” format but also the “Excel” format is needed, which is easy for summarizing and device management, such as “BOM”, “Spare Parts List”, “IO List” etc...

4、所有文档资料放到如下目录中对应的文件夹中刻录成光盘,“软件”相关直接提交原厂软件光盘。

具体要求:
All the Document & related information should put into respective folder as below index and save in CD for submitting, “Software” related could directly submit the original software CD
竣工文档资料清单
①BOM 采购清单

采购清单应当包括但不限于以下内容:
Bill of Material, which should include but not limited to the following:
◆材料名称 Materials Name
◆产品型号 Model number
◆产品编号(采购编号) Product Serial No.
◆材料数量 Materials Count
◆材料单位 Unit of Materials
◆生产厂家 Manufacture

注意:所有材料信息应当尽可能详细,便于最终用户在网上检索到,以及备品备件的采购。
Note: All the Materials information should be as detailed as possible to let the End User easy to search online and purchase the spare part.

②产品手册 Catalogues

由成产厂商编撰发布的,每一个模块设备的相关官方资料手册,包括但不限于以下内容:
Got from original Manufacture for each module and device, which should include but not limited to the following:
◆宣传册 Brochures
◆性能数据表 Data Sheets
◆使用手册 Manuals
使用指导书 Guides

◆宣传册 Brochures
◆性能数据表 Data Sheets
◆使用手册 Manuals
◆使用指导书 Guides

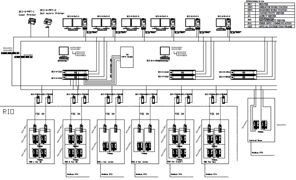
③网络结构图 Network Architecture Diagram

完整的控制系统网络拓扑图,包括但不限于以下内容:
Whole control system network topology Diagram, which should include but not limited to the following:
◆人机界面 HMI
◆控制器 CPU
◆IO机架 IO Rack
◆外部通讯网络 External communication network
◆内部通讯网络 Internal communication network
◆第三方通讯网络 Third Party communication network 

控制系统网络拓扑图
④网络设备IP地址表 IP Address List

所有网络设备的IP地址汇总 All Ethernet device IP address

⑤机柜集成图 Cabinet Integration Layout Drawing

由系统集成厂商提供,包括但不限于以下内容:
Provided by System Vender, which should include but not limited to the following:
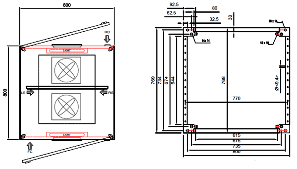
◆机柜位置布局图 Cabinet Location Arrangement Layout
机柜位置布局图
◆机柜底座设计图 Cabinet Plinth Diagram

◆机柜轮廓设计图 Cabinet Outline Diagram
机柜轮廓设计图
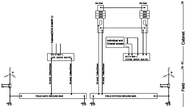
◆机柜接地设计图 Cabinet Earthing Grounding Diagram

机柜接地设计图
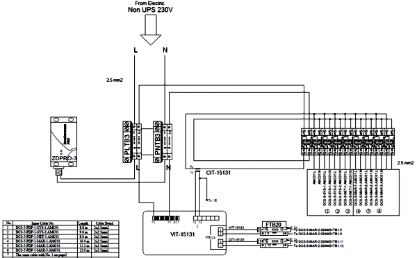
◆机柜供电设计图 Cabinet Power Distribution Diagram

机柜供电设计图
◆机柜内部布局图 Cabinet Internal Device Layout

机柜内部布局图
◆设备连接设计图 Device connection wiring Drawing

◆端子接线图 Terminal Assembly wiring Drawing

◆机柜位置布局图 Cabinet Location Arrangement Layout
◆机柜底座、轮廓设计图 Cabinet Plinth, Outline Diagram
◆机柜接地设计图 Cabinet Earthing Grounding Diagram
◆机柜供电设计图 Cabinet Power Distribution Diagram
◆机柜内部布局图 Cabinet Internal Device Layout
◆设备连接设计图 Device connection wiring Drawing
设备连接设计图
◆端子接线图 erminal Assembly wiring Drawing


未完待续......


推荐阅读

仪表设计施工图内容
完整仪表施工图的内容
仪表工程交工资料应有哪些内容

共有访客发表了评论 网友评论

  客户姓名:
邮箱或QQ:
验证码: 看不清楚?
Baidu
点点taptap手机网址