不同低压配电系统接线方式的应用场所和技术要求
1、高层公共建筑通常采用装设在竖井内的竖向封闭式母线槽组成的树干式接线方式,各楼层接出分支回路应在不超过3m距离内装设保护电器和隔离电器。
2、多层公共建筑和居住建筑,当负荷电流较小时,宜采用竖向装设在竖井内的预分支电缆(或电缆)组成的树干式接线,要求同第1项。
3、工业厂房用电设备多,宜采用高位树干式接线,大多固定在屋架上,采用裸母线或封闭式母线槽。裸母线造价低廉,过去几十年广泛应用,而封闭式母线槽价格贵很多倍,但安全性能好、电抗小、线路电压降和线损减小,近二三十年越来越多地取代裸母线。由于装设部位高,接出分支线路到保护电器的长度不超过3m的要求很难达到,因此,应对分支线路的敷设提出要求应有机械防护(如穿钢管或线槽盒内),不靠近可燃物;分支线路发生短路时,配电干线首端的保护电器能切断,分支线路应满足短路热稳定要求。
4、用电设备成排布置的工业场所(如机械冷加工、纺织等车间),宜采用插接式封闭母线树干式接线,保护电器(熔断器或断路器)直接装设在母线的插接口位置,维修方便,故障防护性能好。
5、水泵房、风机房、电梯机房、锻工车间等宜采用放射式接线。
6、多层居住建筑、办公建筑、学校以及工业厂房的照明配电箱,可采用链式接线(见图1),所接照明配电箱数不宜太多,宜为2-3台,居住建筑不宜超过4台。

图1 链式接线
7、插座宜采用链式接线(见图2),但每个回路所接插座数不宜太多,线路不宜太长,对金融、证券、科研、设计等计算机应用很多的场所,链接插座数不宜超过5个。

图2 链式接线
8、离配电箱较远,相互靠近的小功率用电设备可采用链式接线(见图3),但不宜超过5台,功率之和不宜大于10kW。
图3 链式接线
两个接线方式应用示例
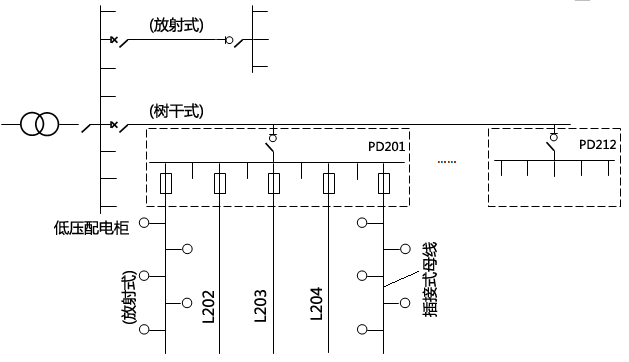
例1:某机械冷加工车间的配电系统接线示例如图4所示。从变电站低压柜接出L1配电线到冷冻机房配电箱PD11为放射式;接出L2封闭式干线为树干式,从L2干线接出12个分支干线到PD201-PD212配电箱,从配电箱PD201用放射式接到L201-L205插接式母线,用树干式连接到各台机床;L2干线为“树干式-放射式-树干式”综合接线。

图4 某机械冷加工车间配电系统接线图
例2:某30层办公楼的配电系统接线示例见图5主干线L1系装在竖井内的封闭式母线组成树干式接线,从该干线接到各层楼的配电箱以后则为放射式,包括接插座的链式接线。

图5 某办公楼配电系统接线图
新书推荐
《低压配电设计解析》由九旬电气专家任元会编著,笔者将自己几十年在讲授低压配电设计中,针对全国各设计院、电气工程师提出的问题进行的研究、分析和总结的研究成果呈现给年轻电气设计师,希望能够为提高我国建筑电气设计水平作最后的一点贡献!
