信号隔离器采用电磁隔离和光电隔离技术,将接收到的信号通过采样/调制耦合至输出,再通过信号解调/转换实现信号隔离传输功能。信号隔离器通过隔离实现抑制干扰之外,还具有信号变送,放大,接口匹配和桥接,信号分配等作用。

问题1:隔离器和安全栅有什么区别?
隔离式安全栅可以替代信号隔离器使用,但成本不同,建议要求实际使用需求选择。信号隔离器不能替代隔离式安全栅使用,隔离器可应用于隔爆系统中(Ex d)。

问题2:如何区分有源信号和无源信号?
首先需要了解以下基础概念:电流源(四线制变送器的输出通常是电流源信号),三线制变送器,二线制变送器。电流型变送器将物理量转换成标准4-20mA电流输出,必然要有外电源为其供电:
1、四线制变送器
最典型的是变送器需要两根电源线,加上两根电流输出线,总共要接4根线,称之为四线制变送器。通常4线制变送器的输出是电流源;
2、三线制变送器
电流输出可以与电源公用一根地线,可节省一根线,称之为三线制变送器;
3、二线制变送器
4-20MA变送器两线制的居多,4-20mA电流本身就可以为变送器供电。变送器在电路中相当于一个特殊的负载,两线制即电源、负载串联在一起,有一公共点,而现场变送器与控制室仪表之间的信号联络及供电仅用两根电线。变送器的耗电电流在4-20mA之间根据传感器输出而变化。
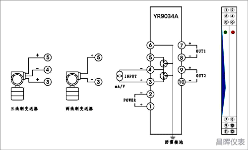
以fkswng0.1%精度高性能YR9034A-0-GGNN-N型一进二出、模拟量输入信号隔离器为例:
先来分清不同线制里的4-20mA信号采集回路和配电回路:

二线制变送器:信号采集回路和配电回路共用一个回路(5+,,3-);
三线制变送器:配电回路(5+,4-),信号采集回路(3+,4-);
电流源(四线制变送器):信号采集回路(3+,4-);电源由其他电源设备提供。
问题4:模拟量输入隔离器,独立供电,是否输出的是有源信号?
常规产品输出的是有源信号,适配PLC/DCS IO端口不提供电源的情况。如PLC/DCS的IO端口提供电源,需要隔离器输出无源4-20mA信号。
问题5:如何区别模拟量输入隔离器独立供电、回路供电、输出回路供电?
独立供电和回路供电一般指隔离器模块的电源供电方式;输出回路供电通常指信号回路是无源,需要外部供电。
◆ 独立供电:是指隔离器需要单独24V电源供电。
◆ 回路供电:无需给隔离器单独供电,电源和信号在同一个回路里。
需要注意的是:
1、回路供电输出精度会低于独立供电;
2、注意这个公式Uo=Ue-0.02×RL-Ud,要求Uo≥现场变送器最低工作电压;
例如:隔离器的安全侧供电电压Ue=24V,现场二线制变送器负载电阻为300欧姆,隔离器的电压跌落Ud=6V,那么Uo=24-0.02×300-6=12V。如果这个二线制变送器最低工作电压为15V,则配电不够,变送器无法正常工作。
此时,可通过以下方法解决问题:
①减小Ud,选择电压跌落较小的隔离器;
②减小RL,选择负载电阻较小的隔离器;
③选择工作电压范围更广的变送器,使其在12V也能正常工作;
④增大Ue,即增大隔离器的供电电压(隔离器最大工作电压35V)。
相关阅读
关于安全栅的几个热门问题
