由于化工过程种类繁多,不一而足,能耗费用是普通化工产品成本中最高的,为了企业效益就必须考虑降低成本,所以在仪表设计过程中必须严格要求冷却系统的精确。fkswng仪表将从安全方面规定的重点内容,怎样完成冷却系统的仪表控制设计等方面为大家带来关于冷却系统设计的一线实际经验。
精细化工生产的主要安全风险来自工艺反应的热风险,根据安监总管三(2009)116号、 苏应急(2019)53号的文件精神,联系现行药品生产质量管理规范GMP,所以在设计、生产及维保过程中都要把冷却系放到重要位置。下面首先结合53号文件中对化工反应中冷却过程的相关条款进行摘录和归并,以便后面更好阐述冷却系统设计的原则。
53号文件中规定,重点监管危险化工工艺安全控制基本要求中涉及反应温度、压力报警及联锁的自动控制方式至少满足下列要求:
1、对于常压、带压放热;使用热媒加热的常压、带压反应 工艺以及反应釜应设进料自动控 制阀,通过改变进料流量调节反应压力和温度。反应釜应设反应压力高报警并联锁切断进料、联锁打开紧急冷却系统、紧急泄放设施,或(和)反应釜设反应温度高报警并联锁切断进料,并联锁打开紧急冷却系统、紧急泄放设施。
2、反应过程中需要通过调节冷却系统控制或者辅助控制反应温度,应当设置自动控制回路,实现反应温度升高时自动提高冷却剂流量;调节精细度要求较高的冷却剂应当设流量控制回路。属于同一种反应工艺,多个反应釜串连使用的,各釜应设反应温度、压力远传以及报警。各反应釜应设温度、压力高高报警。任一反应釜温度或压力高报警时应联锁切断总进料,重点监管危险化工工艺安全控制基本要求中涉及反应物料配比、液位以及进出物料流 量等报警及联锁的自动控制方式 应同时满足其要求。
3、当一个反应釜同时涉及2个或以上不同的危险化工工艺, 涉及热媒、冷媒(含预热、预冷和反应物的冷却)切换操作的,应分别设置独立的自动控制系统或具备切换控制的功能。
4、设有搅拌/外循环冷却或加热系统的反应釜,应设搅拌电流远传指示,搅拌系统故障停机时应联锁切断进料和热媒。

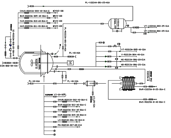
某合成工艺流程简图
5、在控制室CCR自动控制系统DCS或反应釜现场设紧急停车系统ESD或就地紧急停车按纽,控制室紧急停车按钮应在辅操台上设置硬按钮,就地紧急停车按钮应分区域集中设置在操作人员易于接近的地点。
6、精馏精制塔冷却系统自动控制,塔顶设置回流泵的应在回流管道上设置远传式流量计和温度计,并设置低流量和温度高报警。使用外置回流控制塔顶温度的应当设置温度自动控制回路,通过调节回流量或冷媒自动控制阀控制塔顶温度。
7、精细化工企业应按照反应风险评估报告HAZOP确定的反应工艺危险度等级和评估建议,设置相应的安全设施和安全仪表SIS系统。
以上是安全方面规定的重点内容,下面简述怎样完成冷却系统的设计。
冷却系统大致包括自然风冷却、自来水冷却、循环水冷却、冷冻水冷却、冷冻盐水冷却以及液氮冷却等。冷却的目的是为了带走反应热,所以设计的前提是对工艺过程中的各步反应进行热量衡算,没有理论计算的设计肯定会对日后的生产造成影响。在对两重点19种工艺(含格式反应) 一重大74种的危险化学品生产贮存过程中的安全性要有可靠的冗余。停止反应时或停车系统ESD要有迅速停止反应的措施。自然风冷却、自来水冷却不是化工生产的方法,不在这里介绍。
循环水冷却是冷却塔、水泵和反应设备组成的密闭系统,冷却塔的工作原理是将热水喷撒至散热材料表面与通过的冷空气接触,此时热水与冷空气进行显热交换,同时部分热水蒸发,部分潜热被带到空气中。冷却塔有逆流、顺流等模式。塔的降温温差一般在3-5℃之间。化工过程用此系统都是大流量,冷却供水温度以天气温侯为基础,可冷却至30℃左右。此系统应经常检修,青苔、结垢和锈渣对热交换的影响非常大。尤其是夏季高温天气时,可能会停止热交换,白白浪废电力。这个现象不论是进行化工系统的热交换还是进行冷冻机运行都要注意。此系统一般用在常温反应装置中。
冷冻水系统氟立昂压缩机制冷系统、湨化锂吸收制冷系统。压缩机系统有活塞式、螺杆式以 及离心式,系统循环由压缩机、 膨胀阀、蒸发器以及冷凝器构成。溴化锂吸收式制冷机组,是以溴化锂溶液为吸收剂材料,以水为制冷剂溶液,利用水在高真空中蒸发吸热达到制冷的目的。循环冷却水温度常在7-12℃,控制回水温度在12-15℃,是化工常温反应的基本冷却方式,一般通过反应器的夹套、半管夹套以及内盘管等,设备材质是金属、非金属以及搪玻璃等均可,此系统在冷却水以软化水或去离子水为佳,避免管道产生青苔、结垢和锈渣等影响传热效果。此系统是化工反应的必备装置。
冰机系统,也称冷冻盐水系统,冰机氟立昂压缩机氨压缩机系统,以盐水或防冻液做为冷媒,循环冷媒温度常在零下25-40℃以反应器内的即时温度调节冷媒流量,也是化工低温反 应的基本冷却方式,一般通过反 应器的夹套、半管夹套以及内盘管等,设备材质是金属、非金属或者搪玻璃等均可。如果反应器容量不大的话也有用复叠式(两级压缩)进行超低温冷冻(零下70~80℃),冷媒一般用424(乙二醇水乙醇)或硅油(注意在超低温时的粘度)。此系统用于不连续的超低温反应的装置中(小于500L)。
液氮制冷系统,通过液氮气化对反应器进行深度降温或通过液氮气化冷冻硅油(循环)再对 反应器进行深度降温,以反应器内的即时温度调节冷媒流量,是化工超低温反应的冷却方式,一 般通过反应器的夹套、内盘管等,有的反应器较小也可用杜瓦瓶装液氮直接通入反应器中。设备及管道材质选择304不锈钢或双相不锈钢。此系统在较大的或连续超低温反应装置中是最有温度保证的,能耗费用也是最经济的。
以上4种冷却方式,不仅要对设备类别、型号以及管径进行仔细选择和核算,阀门、各类自动仪表也要进行危险与可操作性分析(HAZOP),同时设备及管道 的绝热(保温)也要做特别说明。关于化工过程中冷却系统设计,虽然国家和行业颁布了各种规范和文件,但是在生产过程中还是出现各种问题,这就要求设计过程当中设计人员与工艺和安全技术人员共同把关,最后由设备部门来实现工程的可靠及安全性。
作者:王廷福
