工况介绍
事故前工况:110kV变电站投运中,主接线为单母线分段,两台主变送电冲击5次已完毕,现场调度令,将1号主变中压侧小车开关301由实验位置摇至运行位置、合上301开关向35kVⅠ母充电。操作人手动将主变中压侧35kV小车开关301由实验位置摇至运行位置,本柜小车工作位置信号灯亮,信号正确,后台显示301开关在工作位置。后台遥控操作301合闸失败,综保无事故、预告信号发出,现场巡视301开关在分位、保护柜合闸、分闸位置信号灯均未亮。
故障原因分析
1、直接原因
①合闸失败原因
小车开关由实验位置至运行位置是人工操作,使用专用摇柄驱动手车中部丝杠带动小车向内移动,丝杠行程为20圈,在最后一圈丝杠上的滑块碰触S9开关,分别接通控制回路和信号回路。分合闸在未到工作或试验位置时还有一机械闭锁装置,以防未到位合分闸。因开关结构所限,丝杠上的滑块与机械闭锁装置存在一角度差,S9工作位置开关动作后机械闭锁档片才到位。
常用的专用摇柄是四方或六方接口,操作人操作到位后,抽出摇柄时常会有摇柄在身体远端的状态,导致摇柄抽出时会向身体方向靠近,如不注意观察会将丝杠向摇出方向转动一个角度,极可能将机械闭锁档片移动,此角度还不足以松开S9工作位置开关,故本柜小车工作位置信号灯亮,却因机械原因造成合闸失败。
②断路器合闸线圈烧毁原因
现有开关分合闸线圈为与保护配合,大部分为大电流短时工作制,通电时间过长就会烧毁。此时S9工作位置分别接通本柜小车工作位置信号、合闸控制回路、以及后台信号回路。合闸命令发出,合闸线圈得电励磁,机械闭锁未到位导致开关拒动,未及时断开操作电源,合闸线圈长时间带电烧毁。
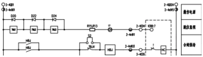
③保护柜合闸、分闸位置信号灯均未亮原因

由附图可见:分闸位置信号灯也是跳位监视,实际接线时2-4CD4与2-4CD5短接,因此时合闸线圈烧毁断路,分闸位置信号灯无负电不亮。
2、事故暴露出的问题
①运行管理
a、运行人员责对设备构造不了解,操作不规范。一是操作人在将301开关摇至工作位时,抽出摇柄时手柄有向试验方向转动角度,机械闭锁未解除就进行下一步操作,导致合闸失败。二是监护人未能正确履行监护责任,未对操作人的操作结果进行确认。
b、运行人员培训不到位。操作人员在执行电气操作过程中,对小车开关在“试验位”及“工作位”的手车实际位置及状态判断不清楚;操作过程中异常处理反应慢,未能及时断开操作电源,以防线圈烧毁。
②现场组织
a、变电站投运送电过程却少必要的设备监控程序。在新投运的电气设备送电前需要运行管理方与设备厂家和施工单位做好沟通,送电过程全方位对设备进行现场监控,每一项操作前需确认程序准确,以及操作后设备是否处于正常运行状态。
b、现场配合投运人员对设备电气首次带电应及时确认工况。操作人员在执行电气操作后,设备电气是否处于正确的、理想的工作状态,应由设备厂家和施工方立即确认,如有异常现象及时汇报现场指挥及电力调度,以避免设备损坏。
作者:刘永军(大庆油田)
相关阅读
高压开关柜不能防跳故障处理案例
高压断路器不能合闸案例及故障处理
高压断路器自行合闸故障老电工如何处理
