温控器继电器触点开关输出电路
1、双继电器触点开关输出电路
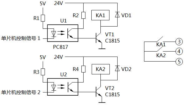
图1是温控器双继电器触点开关输出电路图。图中温控器测量值与给定值的偏差,经过单片机的内部程序运算后,输出开关量控制信号,经过光电耦合器隔离和晶体管放大后,驱动KA1或KA2继电器动作,并从温控器的端子3、4、5输出双路常开触点信号,5为触点的公共端。这种双继电器控制输出电路,常用于有加热、制冷要求的控制系统。

图1 温控器双继电器触点开关输出电路
2、继电器触点开关输出电路
图2是一种继电器常开、常闭触点开关输出电路,温控器的控制信号由单片机的3脚输出。当输出为高电平“1”时,三极管VT1及VT2都不导通,继电器KA1不动作;当3脚为低电平“0”时,三极管VT1及VT2导通,继电器KA1动作,常闭触点NC断开,常开触点NO闭合,从温控器的端子5、6、7输出常开、常闭触点信号。与继电器触点并联的471压敏电阻,起消火花作用。

图2 继电器常开、常闭触点开关输出电路
继电器触点开关输出电路常作为主输出,用于位式控制或时间比例控制,还可作辅助输出的控制或报警输出。用于位式控制时,继电器触点的通、断信号就可直接或间接地控制电加热电源的通和断。位式控制控温效果差,现大多采用时间比例控制来调整电加热的功率。单片机的时间比例输出是一个方波信号,其周期等于控制周期,通常为0.5-4s。输出值大小正比于方波的占空比,且占空比是可调的,还可在0-100%之间任意给定输出限制值,继电器触点的输出受控于人工智能控制的输出信号。
