
变压器线圈上的标注的这个小黑点,其实是表示是同名端的意思,下面fkswng仪表跟大家举例说明到底什么是同名端。
同名端和异名端的定义
同名端,是互感线圈之间的电流或电动势相位判别的依据。同名端具体指的是:当两个互感线圈通入电流,所产生的磁通方向相同时,两个线圈的电流流入端称为同名端(又称同极性端),反之为异名端。

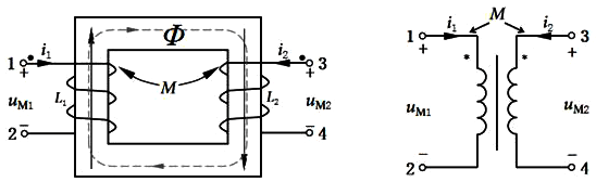
如下图的两个线圈,左边线圈的电流是从1端流入,右边线圈的电流是从3端流入,两线圈产生的磁通方向是一致的(相助),则1端和3端为同名端,2端和4端为同名端,1端和4端为异名端,2端和3端为异名端。

另外,如果在同一铁芯下,线圈的绕向是一致的,则相应端为同名端。

如何判断线圈同名端?
可以用万用表和一个电池进行判别,将次级线圈接上万用表,选择直流电压档。然后将初级线圈的一端接到电池负极,另一端接触一下电池正极,同时观察万用表测得电压的极性。

如上图中,初级线圈接触电池时,次级产生的感应电压的正极是红表笔所接的端口,所以电池正极所接的端口与万用表红表笔所接的端口是同名端。
