执行短路保护的元件和交流接触器、热继电器之间需要有短路保护协调配合。本文详细介绍接触器与执行短路保护的低压开关电气之间的协调配合型式试验和接触器的SCPD试验等内容及限制短路电流试验结果判定规定。
1、接触器与执行短路保护的低压开关电器之间的协调配合型式试验
若电动机主电路引至电机的电缆发生了短路,于是短路电流就流过主电路,包括断路器、接触器和热继电器,或者熔断器、接触器和热继电器。短路电路中的断路器和熔断器是能够主动切断短路电流的,而接触器和热继电器则不能,它们只能承受短路电流的冲击。我们把断路器和熔断器等能够主动切断短路电流的元件称为主动式元件,而把接触器、热继电器等只能承受短路电流的元件称为被动式元件。
对于电动机主电路而言断路器或者熔断器的用途就是执行短路保护;接触器的任务就是闭合与分断电路,所以接触器的最大过载能力在AC-3时是10倍;热继电器的任务是对电动机过载执行保护。
当电动机的进线端子前方电缆发生短路时,熔断器的熔体应该要熔断。假如电动机回路的辅助电路电源取自于主电路,则此时加载在接触器线圈两端的电压几乎为零,接触器就会因此而释放。如果接触器的释放时间小于熔断器的熔断时间,或者接触器的释放时间小于断路器的分断时间,则接触器将承担起分断短路电流的任务。接触器的分断能力很低,接触器的一次触头有可能出现严重烧蚀损毁,因此一定要杜绝让接触器执行短路分断任务。
fkswng仪表提醒大家要注意的是:虽然由主动元件去分断短路电流,但是在分断期间,接触器一定要能够承受短路电流的冲击。这种关系其实也是过电流保护的选择性。
对于短路电路中的被动元件,要与短路电路中的主动元件之间实现协调配合。 这种协调配合关系的试验被称为SCPD,其意义是验证被动元件在规定的使用和性能条件下与某主动元件的SCPD动作期间,承受预期短路电流的冲击而不损坏,而且也不能出现事故扩大化。
当某开关电器进行SCPD型式试验时,要用该开关电器制造厂给出的参数来执行,而且与某开关电器配合的上级过电流保护电器(熔断器或断路器)也由制造厂指定。对于SCPD动作时间内某开关电器能够承受的预期短路电流值也由制造厂指定。
2、接触器的SCPD试验电路

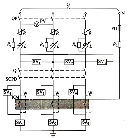
图1 有关接触器SCPD的试验电路
图1所示为有关接触器SCPD的试验电路,图1中G是电源,PV是交流电压表,R是可调电阻,L是可调电抗,Rs是分流电阻,SV1~SV6是电压传感器,Q是接通开关,SCPD是短路保护电器,KM是被测试接触器,W是临时接线,SA~SA3是电流传感器。
在做SCPD试验时有两项内容,即预期电流r测试和预定限制短路电流q测试。对于保护配合协调关系为TYPE1的试验,每次都允许更换新的元件;对于保护配合协调关系为TYPE2的试验,当进行r的0-CO试验时要使用同一台被测元件,当进行q的0-CO试验时可以使用新的元件。
3、试验过程及关系描述
①只有接触器的限制短路电流试验预期电流r试验
◆接触器KM的控制线圈通电而处于闭合位置,此时SCPD处于闭合位置,接通Q使得短路电流流过被测线路和元件,再有SCPD来分断短路电流。在此过程中,接触器KM和SCPD协调配合完成一次分断操作。
◆Q被接通闭合,SCPD也闭合,接触器KM处于分断位置。将接触器线包带电使之闭合接通短路电流,再由SCPD分断短路电流。在此过程中,接触器KM和SCPD协调配合完成了一次接通和分断的操作。
②额定限制短路电流q试验
额定限制短路电流q试验的过程同r试验。
③既有接触器,又有热继电器的限制短路电流试验
我们看图2。

图2 热继电器与熔断器的交接电流
对于热继电器来说,SCPD试验是验证其时间-电流特性曲线与主动式元件(断路熔断器的时间-电流特性曲线器或者熔断器)时间-电流特性曲线交点上的选择性保护性能及相应的协调配合类型。
图2中的交点是热继电器和熔断器两条时间-电流特性曲线的重合点,此点的电流被称为交接电流Ic0。当电流小于Ic0时,热继电器会产生动作;当电流大于Ic0时,应当是熔断器动作。这里的下限是0.75Ic0,上限是1.25Ic0。
在Ic0的左侧,应当由热继电器带动接触器执行分断动作;在Ic0的右侧,应当由熔断器或者断路器执行分断动作。考虑到试验误差后,在型式试验中确定了两个试验点,最小点的试验电流0.75Ic0和最大点的试验电流1.25Ico0。
a、最小点和最大点电流测试
试验从冷态开始。将热继电器和接触器接好,并且使得热继电器动作时能够将接触器断开。试验时接触器和SCPD闭合,然后接通试验电流。试验必须要进行两次,分别以最小点试验电流和最大点试验电流来测试。
b、交接电流Ic0的测试
将试验电流整定到Ic0,然后通电50ms,间隔时间按不同的电流等级(100~1600A)为10~240s,具体值由试验站提供的标准关系表决定,然后再重复测试,直到完成3次试验。
我们来看图3。

图3 SCPD试验中各曲线之间的关系
我们知道,接触器的耐受过载电流的能力是以时间-电流特性曲线来表示的,见图3的中间曲线。 左边的曲线是热继电器的时间-电流平均曲线,表明热继电器的脱扣时间与过载电流的关系。显见,当电流小于Ic0时,热继电器的曲线必须位于SCPD曲线的左侧。一旦越过SCPD曲线,则热继电器将会永久性地损坏。
从这里我们也可以进一步看出,热继电器和接触器是短路电流的被动承受者,它们不能去主动地切断短路电流。虽然接触器有一定的分断能力,但根据GB14048.4或者IEC60947-4,接触器的最大过载电流倍数仅为10倍而已。只有熔断器或者断路器才是切断短路电流的主动元件。
4、限制短路电流试验结果判定
我们来看国家标准GB 14048.4-2010对保护匹配关系的规定。
标准号:GB 14048.4-2010
标准名称:低压开关设备和控制设备 第4-1部分:接触器和电动机起动器 机电式接触器和电动机起动器(含电动机保护器)
条目:8.2.5.1条
内容:8.2.5.1短路条件下的性能(额定限制短路电流)
用短路保护电器(SCPD)作为后备保护的接触器和起动器,以及综合式起动器,综合式开关电器、保护式起动器和保护式开关电器,其额定限制短路电流性能,应根据9.3.4所述试验方法进行验证。试验规定为:
a、预期电流“r”,见表13;
b、额定限制短路电流Iq(仅当大于预期电流“r”时,才进行Iq电流试验)。
SCPD的额定值应适用于任何给定的额定工作电流、额定工作电压及相应的使用类别。
协调配合类型(保护型式)有如下两种,其试验方法见9.2.4.2.1和9.3.4.2.2。
a、“1”型协调配合,要求接触器或起动器在短路条件下不应对人及设备引起危害,在未修理和更换零件前,允许不能继续使用;
b、“2”型协调配合,要求接触器或起动器在短路条件下不应对人及设备引起危害,且应能继续使用,允许触头熔焊,但制造厂应指明关于设备维修所采取的方法。
注:选用不同于制造厂推荐的SCPD时,协调配合可能会无效。
我们再来看SCPD限制短路电流试验结果的判定:
①SCPD分断故障电流时熔断元件FU未熔断;
②元件的外部绝缘和元器件整体未受到破坏或碎裂;
③按照IEC60947-4定义的对于TYPE1,壳体未击穿,但接触器受破坏是允许的,每次试验后,允许更换接触器;
④对于TYPE2,只允许接触器的触头发生熔焊,而且用螺钉旋具很容易拨开;短路试验前后,热继电器的电流整定值倍数及脱扣特性不允许被破坏;试验后,接着做介电试验,电压为2Un(不得小于1000V)保持1min。
5、对于SCPD在交接电流协调配合试验判定
①最小点试验时SCPD应当不动作,而热继电器能将接触器脱扣。
②最大点试验时SCPD应当在热继电器之前动作,热继电器和接触器的配合关系应当满足制造厂的规定。
③接触器和热继电器应当能通过介电试验。
④对于接触器的时间-电流耐受能力,应当具有如下特性:试验电流大于Ic0;接触器的时间-电流特性在电流小于Ic0时应当位于冷态热继电器时间-电流特性平均曲线的上方。
