一、概述
1、概念
浪涌抗扰度主要考察电气和电子设备对由开关和雷电瞬变过电压引起的单极性浪涌(冲击)抗扰度。
2、试验目的
①建立一个共同的基准,用来评价电气和电子设备在遭受到浪涌(冲击)时的性能。通常在实验室里测试就是模拟雷击干扰对设备的影响。
②浪涌是沿着电源线或信号线上传播的快速上升,缓慢下降的电流或电压。
二、浪涌的产生
1、电力系统开关瞬态
①主要的电力系统切换骚扰,例如电容器的切换;
②配电系统中较小的局部开关动作或负载变化;
③与开关器件(如晶闸管)相关联的谐振现象;
④各种系统故障,例如设备组合对接地系统的短路和电弧故障。
2、雷电的瞬态
①直击雷,它击于外部电路,注入的大电流流过接地电阻或外部电路阻抗而产生的电压;
②间接雷(即云层之间或云层中的雷击或击于附近物体的雷击产生的电磁场)它在建筑物内、外导体上产生感应电压和电流;
③附近直接对地放电的雷电电流,当它耦合到设备组合接地系统的公共路径时产生感应电压。
3、雷电等级划分

①LPZ 0A区:本区内的各物体都可能遭到直接雷击和导走全部雷电流;本区内的电磁场强度没有衰减。
②LPZ 0B区:本区内的各物体不可能遭到大于所选滚球半径对应的雷电流直接雷击,但本区内的电磁场强度没有衰减。
③LPZ 1区:本区内的各物体不可能遭到直接雷击,流经各导体的电流比LPZ 0B区更小;本区内的电磁场强度可能衰减,这取决于屏蔽措施。
④LPZ 2后续防雷区:当需要进一步减小流入的电流和电磁场强度时,应增设后续防雷区,并按照需要保护的对象所要求的环境区选择后续防雷区的要求条件。
三、试验配置
1、组合波发生器,耦合/去耦网络和其他辅助设备。
2、组合波发生器分为10/700μs和1.2/50μs两种,分别对应不同的端口类型。
3、浪涌抗扰度试验分类
①浪涌电压抗扰度试验(开路电压)
②浪涌电流抗扰度试验(短路电流)
注:浪涌抗扰度试验模拟的是间接雷击,不考虑直击雷,也不考虑EUT耐高压的绝缘能力测试。
四、具体测试波形
1、1.2/50μs波形介绍
①组合波发生器的电路原理图

说明:U为高压源;Re为充电电阻;Ce为储能电容;Rs为脉冲持续时间形成电阻;Rm为阻抗匹配电阻;Lr为上升时间形成电阻
组合波发生器的电路原理图(1.2/50s-8/20μs)
②具体波形图

波前时间:T1=1.67×T=1.2×(1±30%)μs
半峰时间:T2=50×(1±20%)μs
注:耦合/去耦网络输出端的开路电压波形可能存在较大的下冲
未连接CND的发生器输出端的开路电压波形(1.2/50μs)

波前时间:T1=1.25×T=8×(1±20%)μs
半峰时间:T2=20×(1±20%)μs
注:30%的下冲规定只适应用于发生器的输出端。耦合/去耦网络输出端,对下冲或过冲没有限制
未连接CND的发生器输出端的短路电压波形(8/20μs)
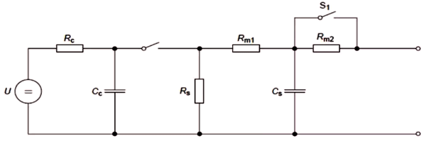
2、10/700μs波形介绍
①组合波发生器的电路原理图

说明:U为高压源;Rc为充电电阻;Cc为储能电容;Rs为脉冲持续时间形成电阻;Rm为阻抗匹配电阻;Cs为上升时间形成电容;S1为使用外部匹配电阻时,开关闭合
组合波发生器的电路原理图(10/700μs)
②具体波形图

波前时间:T1=1.67×T=10×(1±30%)μs
半峰时间:T2=700×(1±20%)μs
开路电压波形(10/700μs)(BG/T 16927.1的波形定义)

波前时间:T1=1.25×T=5×(1±20%)μs
半峰时间:T2=320×(1±20%)μs
注:在GB/T 16927.1中,波形规定为5/320μs,而在IEC 60469-1中规定为4/300μs。另外,这个波形是在上图开关S1打开情况下测量的。
短路电压波形(5/320μs)(BG/T 16927.1的波形定义)
3、两种浪涌信号的适用范围
①对通讯网和长距离信号电路端口,推荐采用10/700μs冲击波。常见电子设备如RJ45,RS232, XDSL, RS485,安防摄像头等。
②对交直流电源端口和短距离信号电路端口,推荐采用1.2/50μs冲击波。常见电子设备如LED照明设备,基站等。
五、常见的设备端口抗浪涌能力测试
1、防雷区域细分图

2、各接口推荐防护等级
AISG COAXIAL RS485 DC/POWER AC/POWER RJ45 RJ11 VIDEO
LPZ0B-1 8/20μs 8/20μs 8/20μs 8/20μs 8/20μs
5KA 5KA 5KA 5KA 5KA
LPZ0B-2 1.2/50-8/20μs 1.2/50-8/20μs 1.2/50-8/20μs 1.2/50-8/20μs 1.2/50-8/20μs
6KA-3KA 6KA-3KA 6KA-3KA 6KA-3KA 6KA-3KA
LPZ0B-3 10/700μs 10/700μs 10/700μs 1.2/50-8/20μs 1.2/50-8/20μs 10/700μs 10/700μs 10/700μs
4KA、6KA 4KA、6KA 4KA、6KA 6KA-3KA 6KA-3KA 4KA、6KA 4KA、6KA 4KA、6KA
LPZ1 -- 1.2/50μs 1.2/50μs 1.2/50μs 1.2/50μs 1.2/50μs 1.2/50μs 1.2/50μs
2KA、4KA 2KA、4KA 2KA、4KA 2KA、4KA 2KA、4KA 2KA、4KA 2KA、4KA
LPZ2 -- 1.2/50μs 1.2/50μs 1.2/50μs 1.2/50μs 1.2/50μs 1.2/50μs 1.2/50μs
1KA 1KA 1KA、2KA 0.5KA、1KA 1KA 1KA 1KA
以上是个人对于浪涌抗扰度标准的解读,希望能加深大家对标准的认识,同时也对设计和整改有所帮助。
作者:张小林、詹育云
