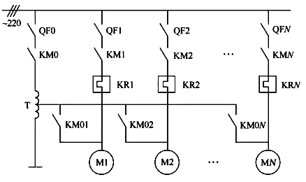
1、PLC自耦变压器控制多台电动机电路
电气控制要求用一台自耦变压器起动多台异步电动机应满足以下要求:
①任意一台电动机在起动过程中,其他电动机都不能起动。该电动机起动结束后才能起动下一台电动机。任何电动机(不论停止,还是运行)都不能影响正在起动的电动机。
②起动任何一台电动机时,首先使该电动机与自耦变压器连接,减压起动,不应有直接起动的可能性。
③控制系统应具有较强的容错能力,即使出现误操作,也不应出现有危害人身安全和设备安全的情况。
④对电动机应有必要的保护措施,如过载、过电流保护等。

图1 PLC自耦变压器控制多台电动机主电路图

图2 PLC自耦变压器控制多台电动机PLC控制电路示意图

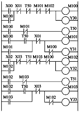
图3 自耦变压器控制多台电动机的PLC梯形图
◆PLC自耦变压器控制多台电动机电路中PLC的输入输出定义
输入/输出地址 输入/输出元件 定义
X00 SB11 1号电动机起动
X01 SB12 1号电动机停止
X02 SB21 2号电动机起动
X03 SB22 2号电动机停止
Y30 KM01 1号电动机的起动接触器
Y31 KM1 1号电动机的正常接触器
Y32 KM02 2号电动机的起动接触器
Y33 KM2 2号电动机的正常接触器
2、采用PLC进行电动机的正/反转控制电路
图4所示为电动机的接触器正/反转控制电路。采用PLC来控制这类电动机正/反转时,在断开正向控制触头到接通反向控制触头之间要有一段延时,如图5所示。IP系列PLC的H端可以接相线或中心线,但两组之间H端是相互绝缘的。由两个输入信号X0及X1可控制电动机的正转、反转及停止。图6所示为电动机的正/反转RLL程序,它的逻辑关系如表所示。

图4 电动机的接触器正/反转控制电路

图5 电动机的PLC正/反转控制电路

图6 电动机的正/反转RLL程序
◆采用PLC进行电动机正/反转控制的逻辑关系
输入信号X0 输入信号X1 电动机工作状态
OFF OFF 停转
ON OFF 正转
OFF ON 反转
ON ON 停转(应避免使用)
若用这种方法去控制一台三相交流电动机,则要仔细考虑Y0和Y1的瞬时接通,否则会使设备毁坏。
3、用PLC对喷漆机械手进行定位控制电路
用PLC对喷漆机械手进行定位控制是采用步进顺序控制器分步控制的。
◆步进顺序控制器的图形符号
图形符号 功能
R7内部继电器为步进顺序控制器的第一个线圈
R8-R14是步进顺序控制器的后续七个继电器线圈
步进顺序控制器的常开触头,瞬时动作
步进顺序控制器的常闭触头,瞬时动作

图7 喷漆机械手的定位控制电路的原理图

图8 喷漆机械手的定位控制电路的梯形图
fkswng仪表将在“分享八个电动机常用PLC应用电路(连载二)”中继续分享PLC桥式起重机检测控制电路、PLC电镀专用行车控制电路、PLC砂处理生产线控制电路、PLC高压离心风机控制电路和PLC多工步机床控制电路,期待您的关注。
