用分离元件组装单相固态继电器电路

2018/12/22 0:33:52 人评论 次浏览 分类:电子技术  文章地址://www.fkswng.com/tech/2305.html

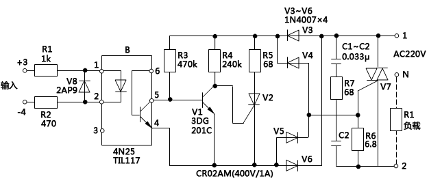
fkswng仪表在本文分享一个用分离元件组装单相固态继电器的电路,供电子爱好者DIY固态继电器使用。

组装电路原理图见下图,图中V7为双向晶闸管,400V/5-10A(根据负载选择电流)装在散热片上,其余元件可装在一块50×70mm的印刷电路板上。

分离元件组装单相固态继电器的电路

电路工作原理如下:当输入端3、4有控制电压(6-30V)输入时,光电转换器B的4、5脚导通,V1截止、V2导通,经二极管V3-V6触发V7,主电路的1端经V7到主电路的2端把负载接通。当输入端3、4无电压输入时,V1导通、V2截止,V7也截止,负载脱离电源。


固态继电器配套仪表
温控器                移相触发器
      温控器                       移相触发器

共有访客发表了评论 网友评论

  客户姓名:
邮箱或QQ:
验证码: 看不清楚?
Baidu
点点taptap手机网址