以图文方式介绍电压互感器接线、电流互感器接线和电能表接线,以最通俗方式让电气小白弄懂电能表、电压互感器和电流互感器原理。
1、电压互感器V/V接法

电压互感器V/V接法3D示意图 V/V接法电压互感器原理图
2、电压互感器Y/Y接法

电压互感器Y/Y接法3D示意图 Y/Y接法电压互感器原理图
3、电流互感器不完全星型接法

电流互感器不完全星型接法3D示意图 不完全星型接法电流互感器原理图
4、电流互感器星型接法

星型接法电流互感器原理图(适用10kV以上)

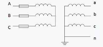
电压互感器星型接法3D示意图(400V) 星型接法电压互感器原理图(适用400V)
5、电能表接线示意图

三相三线电能表组合接线示意图(3×100V电能表+3×100V专变采集终端)

三相四线电能表组合接线示意图(3×57.7V电能表+3×100V专变采集终端)

三相四线电能表组合接线示意图(3×220V电能表+3×220V专变采集终端)
推荐阅读
电压互感器接线[深度好文]
电流互感器接线和选用[深度好文]
