fkswng仪表设计的恒流源驱动Pt100高精度温度测量电路利用LTC2492 A/D转换器对信号进行采样,将信号传送给ATMEGA32单片机,单片机进行数据处理并保存和显示数据。实验测试结果表明,该电路温度测量的精度和稳定性均可以达到5‰之内,与理论值一致。恒流源驱动Pt100高精度温度测量电路通过采样温度稳定系数高的高精密电阻的电压和铂电阻电压的比值,消除了恒流源由于温度漂移等因素影响的电流变化,使得输出电压比值与铂电阻成良好的线性关系。
温度作为表征物体冷热程度的物理量,与很多物理现象和化学性质有关。不同的领域对温度测量精度要求各不相同,某些工艺对控温精度要求很高,尤其是一些精密设备逐渐应用到我们的生产生活中,如光刻机、超精密器件加工、色谱仪等。然而,目前某些设备中,出于技术难度、仪器体积和应用成本的考虑,一般仅仅配置由热敏电阻或集成型数字测温芯片构成的测温探头,其测量精度只能达到0.1-0.2℃,无法满足测量的需求。工业上温度的检测方法有多种,常用的有热电阻、热电偶、PN结型及石英谐振型等,目前在高精度测量中,全球范围内大多使用标准铂电阻温度计。例如:美国国家实验室采用标准铂电阻温度计对纳米测试装置的工作腔进行测试,其测试精度为0.001℃,但是测温系统复杂、价格昂贵。针对生物制药、精密加工、科研实验等领域的温度精密测量,本文对恒流源驱动四线制高精度温度测量电路原理进行了分析、研究和设计,并分析了测量精度和稳定性,设计实现了一种满足高精度测量温度的电路。
1、Pt100高精度温度测量电路设计
铂电阻不仅具有测温精度高、准确度高、灵敏度高、测温性能好、耐氧化、耐腐蚀等优点,而且在温度非常高的环境下性质都很稳定。因此,标准铂电阻温度计被国标ITS-90规定为基准测温仪器,目前市场上已出现的Pt系列测温热电阻有Pt100、Pt10、Pt100、Pt200等传感器。Pt100铂电阻测温范围在-200~850℃之间,允许通过不高于5mA的电流,它的非线性偏差不超过0.5℃,最小置入深度不能小于200mm,其分辨率可达1mK。所以,当温度变化范围在-200~850℃之间时,可实现系统对环境温度的测量精度要求,即温度测量精度可以达到该电路的设计理论值1‰。
当铂电阻被放置的环境温度在-200~850℃之间变化时,其所置环境温度变化与电阻阻值接近线性的关系,国标规定Pt1000铂电阻在0℃时,其电阻值R0=100Ω。
①系统原理结构框图
根据Pt100高精度温度测量系统的设计要求,具体工作流程如图1所示。设计电路包括单片机最小系统中央控制模块、储存电路、显示电路、A/D采样电路、改进的四线制恒流源驱动电路、电源电路和Pt100铂电阻温度传感器。其中单片机微处理器选择的是ATMEGA32,A/D转换器选用的是24位的LTC2492,温度传感器选用的是Pt100铂电阻。

图1 高精度温度测量系统原理结构框图
Pt100高精度温度测量系统采用Pt100铂电阻温度传感器,通过恒流源电路作为驱动电路,恒流源本身电阻无限大,具有不受温度变化影响的特点,从而被广泛应用于电路的设计之中,其主要作用是为所设计的电路提供一个不随负载变化而变化的恒定电流。在高精度测温电路中需要准确地测得铂电阻阻值的变化情况,以便可以将阻值变化转变成电信号,从而转化为数字信号,获得待测环境的温度。恒流源是准确测得铂电阻阻值的前提条件。将与温度有关的电阻信号变换成能被A/D转换器接受的电压信号。运用恒流源电路,使得输出电压与电阻成良好的线性关系,解决单片机处理的电压信号的非线性变化问题。
②Pt100高精度温度测量电路设计
Pt100四线制接线是指铂电阻的两侧分别接引两根导线,是一种高精度的测温方法。它在Pt100二线制接线方法上分别外接一根A/D采样补偿线和一根A/D对地补偿线。其中铂电阻一端的导线将铂电阻的变化转变成电信号,其他两条导线将电信号传送到信号处理器。这样的接线方式将引线电阻的影响完全消减,可用于精度高、距离远的场所。同时注意将恒流源输出的电流控制在5mA以内,避免电流过大导致铂电阻过热而给测量带来误差。普通四线制恒流源驱动Pt100测温系统受温度电流漂移等影响,温度测量准确率较低,很难超过0.1℃量级,因此,本文采用的是改进后的四线制接线法,以保证测量的精度和稳定度。具体Pt100高精度温度测量电路设计如图2所示。

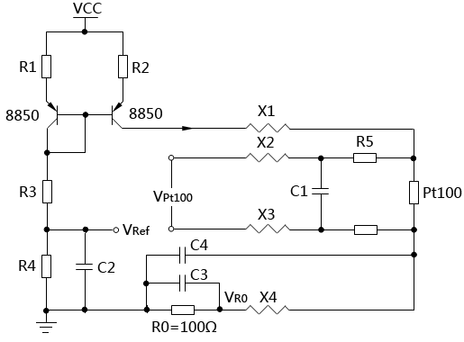
图2 改进的四线制Pt100恒流源驱动温度测量电路原理图
图2中X1、X2、X3、X4分别为铂电阻传感器的四根引线的等效电阻。以R4电阻的电压值做为基准电压,在本设计中R4取值为500Ω,基准参考电压、恒流源的设计严重影响着电路的的测量精度和稳定度。基准参考电压VRef是否稳定且低温漂是保证本文中高精度测温的重要前提。以三极管8550构成的镜像电流源来减小外界干扰,避免误差。在此基础上串联高精密电阻R0,此高精密电阻的温度变化系数为1ppm,即温度变化1℃其电阻值变化为10-6 Ω,本设计中R0取值为100Ω。
根据电子线路理论,Pt100铂电阻温度传感器的电流I为

基准参考电压VRef为VRef=I×R4; Pt100铂电阻的电压为VPt100=I×RPt100;精密电阻R0的电压为VR0=I×R0
最终采取获得Pt100铂电阻的电压和精密电阻R0的电压二者电压的比值,即

从而消除了恒流源由于温度漂移等因素影响的电流变化,使得输出电压比值与铂电阻成良好的线性关系。将得到的电压信号通过24位A/D转换器LTC2492进行采样,然后将信号传送给ATMEGA3232单片机,单片机对数据进行处理并保存和显示数据。该电路的温度测量的稳定性可以达到1‰。
2、恒流源驱动Pt100高精度温度测量电路设计结果与分析
根据系统结构流程框图和设计电路,高精度温度测量系统电路测试验证通过改变电位器的阻值来模拟铂电阻温度传感器测试,利用福禄克5½多用表8808A测量电位器的阻值进行测量标定。取部分测量数据作为测量仪测量Pt100的标准值,如表1第1列所示;第2-第4列分别为参考电压值、精密电阻R0的电压值V100和Pt100的电压值VPt100;最后1列为Pt100的测量计算值。
表1 高精度温度测量电路测量数据
Pt100/Ω VRef/V V100/mV VPt100/mV 测量值/Ω
90.033 1.11871 214.34 192.92 90.0263
95.007 1.11864 214.59 203.83 95.0067
100.026 1.11846 214.08 214.09 100.0267
105.434 1.11846 214.22 225.80 105.4288
109.910 1.11848 214.24 235.43 109.9150
115.161 1.11848 214.25 246.69 115.1665
120.011 1.11855 214.16 256.94 120.0021
125.078 1.11894 214.22 267.88 125.0765
129.760 1.11847 214.23 277.91 129.7536
134.820 1.11847 214.27 288.81 134.8175
根据表1系统测量采样数据,通过
可计算铂电阻传感器的阻值,再通过下面公式求解出温度测量值。经过数据计算,数据平均相对误差为1.1‰,其中最大相对误差为4‰。

说明:公式中At为t℃时铂电阻的电阻值,R0为0℃时铂电阻的电阻值,A、B、C为系数,其中A=3.9082×10-3,B=-5.80195,C=-4.2735×10-12。
对恒流源驱动四线制Pt100高精度温度测量电路原理进行了分析,设计了一种满足高精度测量温度的电路。选用Pt100铂电阻,改进了恒流源驱动四线制高精度温度测量电路,通过采样温度稳定系数高的高精密电阻和铂电阻电压的比值,消除了恒流源由于温度漂移等因素影响的电流变化,使得输出电压比值与铂电阻成良好的线性关系。利用LTC2492 A/D转换器对信号进行采样,将信号传送给ATMEGA32单片机,单片机进行数据处理并保存和显示数据。实验测试结果表明,数据平均相对误差为1.1‰,其中最大相对误差为4‰。该电路的温度测量精度和温度测量的稳定性为实际应用提供参考。
作者:顾吉林、刘淼、耿杨、汤宏山、王聆语、于月、吴茜
