对于高性能电机控制编码器应用而言,通常需要更高的数据速率、更小的RS485收发器封装和IEC 61000-4-2 ESD保护。ADM3065E/ADM3066E 50Mbps收发器采用节省空间的10引脚LFCSP封装,可提供±12kV(接触)和±12kV(空气)的IEC 61000-4-2 ESD保护功能,为EnDat编码器提供了一套可靠的解决方案。此外,在ADM3065E/ADM3066E中添加高速稳定的信号和功率隔离可以通过ADuM6401或ADuM6000 及ADuM241D来实现,如taptap登录游戏制造有限公司在本文所述。
在电池供电系统、井下应用(例如采矿)以及在4-20mA环路中工作的过程控制系统中,往往对低功耗工作模式具有较高需求。微功耗数字隔离器ADuM1441在关断模式下的静态功耗低于23μA。ADM3483 3.3V、250kbps RS485收发器的静态功耗极低,关断模式下通常仅2nA。

图1 适合井下应用稳定可靠的低功耗隔离式RS485解决方案
图1所示为适合井下应用的稳定可靠的低功耗隔离式RS485解决方案。ADM3483和ADuM1441共用可提供一条通往远程地下测量节点的可靠低功耗链路。系统接口卡包括微控制器单元(MCU)、ADuCM3027和集成模拟前端(AFE)AD7124-4,用于远程温度和压力测量。系统接口卡的固件更新通过远距离RS485电缆提供,更新后能够在最长1km的远距离内内实现低数据速率传输(例如9.6 kbps))。
1、隔离式高速RS485
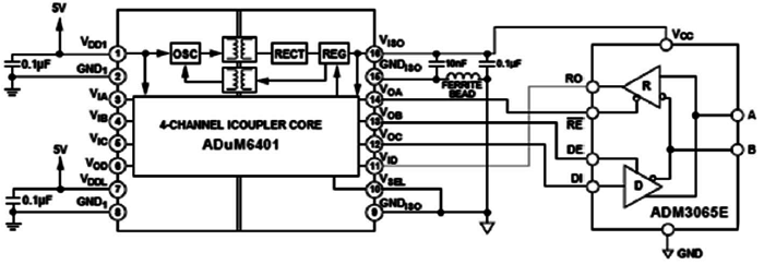
利用iCoupler和isoPower技术,可以向ADM3065E中增添兼具加强绝缘和5kV/rms瞬态耐受电压的电流隔离。ADuM6401提供了所需的四通道5kV/rms信号隔离、最高25Mbps的工作速率以及集成式DC/DC转换器。ADuM6401配合ADM3065E(如图2所示)需将VISO引脚配置为3.3V,具体方法是将VSEL引脚连接到GNDISO引脚,并将5V电源连接到VDD1引脚。在3.3V电压下工作,即使数据速率达25Mbps,也可以确保ADM3065E仍保持在ADuM6401的负载能力范围内。

图2 信号和电源隔离的25Mbps RS485解决方案(简化图,未显示全部连接)
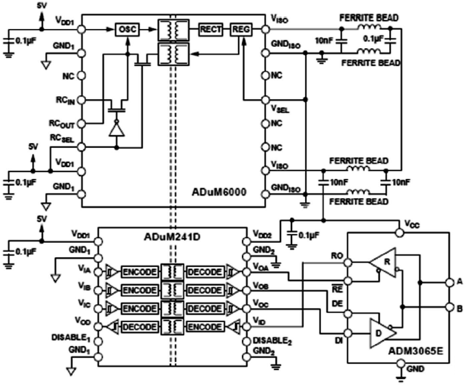
利用ADuM241D四通道数字隔离器和ADuM6000隔离式DC/DC转换器,可以实现50Mbps数据速率以及ADM3065E隔离,如图3所示。ADuM241D的数据速率最高可达150Mbps,能够提供完全支持ADM3065E以50Mbps数据速率工作所需的精确时序。

图3 信号和电源隔离的50Mbps RS485解决方案(简化图,未显示全部连接)
不过,以50Mbps数据速率工作的前提是使ADM3065E工作在3.3V电压下。如果需要在5V电压下工作,可以将ADuM6000上的VSEL引脚连接到VISO,但支持的最大数据速率会降低(例如,<10Mbps)。
ADuM6401和ADuM6000 isoPower器件中的DC/DC转换器可为ADM3065E(和ADuM241D)提供稳压隔离电源。这两款isoPower器件利用高频开关元件,通过变压器传输功率。用户必须遵循辐射标准进行印刷电路板(PCB)布局。
2、隔离式低功耗RS485
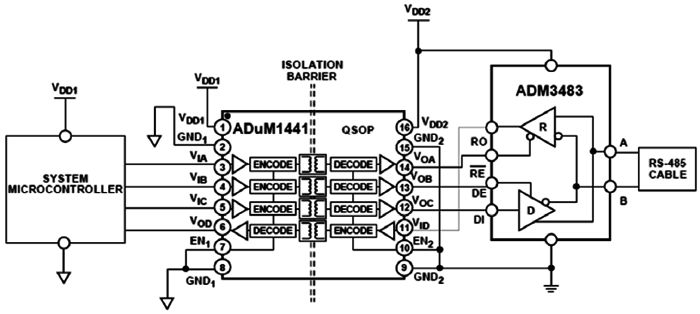
图4显示了ADuM1441微功耗、四通道、数字隔离器和ADM3483低功耗、半双工RS485收发器的组合。当ADM3483处于关断模式(驱动器使能DE引脚为低电平且接收器使能RE引脚为高电平)时,静态电源电流通常仅为2nA(最大规范值为1μA)。如图4所示,ADuM1441的引脚7和引脚10分别连接至GND1和GND2。这意味着当ADuM1441隔离器处于无总线通信活动的关断模式时,其静态电流低于23µA。总体来说,该解决方案的静态功耗低至24µA以下。

图4 低功耗、隔离式RS485节点
如果ADuM1441的引脚7和引脚10分别直接连接到VDD1和VDD2,则ADuM1441的静态功耗仅1.2µA。这可以通过PCB上的跳线连接来实现,用户可以选择将引脚7连接到VDD1或GND1,还可以选择将引脚10连接到VDD2或GND2。将ADuM1441中的1.2μA静态功耗特性添加到ADM3483静态电源中,可实现一个在关断或待机模式下仅消耗2μA电流的完全隔离式RS485节点。为了确保隔离器正常工作,ADuM1441的引脚7和引脚10必须分别连接到GND1和GND2。
相关阅读
如何为应用选择合适的数字隔离器
数字隔离器设计攻关的七个常见问题
