fkswng仪表YR-GAD人工智能调节器可通过RS485通讯接口以MODBUS通讯协议和组态王软件平台,本文阐述了YR-GAD人工智能调节器与组态王的通讯方法,文章详细介绍了设备串口通讯参数、设备生产厂家、名称、通讯方式配置,详细阐述了fkswngYR-GAD人工智能调节器的功能参数与组态王的变量名称、类型、寄存器、数据类型、读写属性的对应关系,实现YR-GAD人工智能调节器78个参数集中管理,可视的操作界面。
1、人工智能调节器介绍
fkswng仪表生产的YR-GAD系列人工智能调节器采用微分先行的控制算法,控制精度高,无超调,具有模糊自整定功能。YR-GAD系列人工智能调节器为傻瓜式操作;0.2%测量精度;七款外尺寸;最多支持4路报警功能、2路控制输出、2路DC24V馈电,支持采用标准MODBUS协议的RS485通讯接口;输入端、输出端、电源端光电隔离;100-240VAC/DC或20-29VAC/DC开关电源供电;标准卡入式安装;可支持36种信号输入功能。YR-GAD系列人工智能调节器适用温度、压力、流量、液位、湿度等工业过程量的监测,能配合各种执行器对电加热设备和电磁、电动调节阀进行完美PID调节和控制。
2、通讯研究的硬件原理
①硬件原理接线

图1 计算机与YR-GFD人工智能调节器硬件接线图
计算机的串行通讯COM口与RS232与RS485转换模块的RS232端相连,YR-GAD人工智能调节器的RS485通讯端A、B与RS485转换模块的RS485端相连。
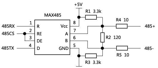
②YR-GAD人工智能调节器RS485接口原理
图2 RS485接口电路原理图

图3 YR-GAD人工智能调节器RS485通讯接线端子
YR-GAD人工智能调节器RS485接口电路原理图如图2所示。接线端子如图3所示。采用RS485信号收发专用芯片MAX485实现信号的转换,在设计电路时要充分考虑MAX485芯片同相端、反相端的电平对应关系。由于从机回应数据帧的初始位-低电平使主机产生接受中断,所以只有MAX485芯片同相端A的初始电平大于反相端B的初始电平时,才能保证主控制器单片机打开接收中断时不会产生误中断,而造成接到错误的数据帧。
a、收发方可用AT485接口芯片实现RS485/RS422协议的通信。AT485接口芯片工作于+5V电压,内含一个收发器,将TTL/CMOS电平与RS485/RS422标准电平相互转换。通信最高速率可达2.5Mb/s,距离最远可达1200m。
b、MAX485芯片引脚说明及符号如下:
1脚(R):接收器数据输出引脚,当A引脚电平高于B引脚200mV以上时,认为收到信号为1;当A引脚电平低于B引脚200mV以上时,认为信号为0。但仅当接收器输出使能引脚-RE有效时,R0才有输出,否则为高阻态。接收器输入开路时认为收到信号为1。
2脚(RE):接收器输出使能引脚,控制接收器数据输出引脚R可否输出数据。
3脚(DE):驱动器输出使能引脚,控制驱动器数据输入引脚D能否送入数据,低电平时驱动器输出高阻态。驱动器的高阻态可用于让出总线,供总线上的另一通信方使用。
4脚(D):驱动器数据输入引脚,驱动器输出使能引脚DE有效时,若送入1,差分输出A为高,B为低;送入0时,差分输出A为低,B为高。DE无效时,驱动器的差分输出为高阻态。
6(B)、7(A)脚:驱动器的差分输出与接收器的差分输入引脚,其中A为同相引脚,B为反相引脚。
5(GND)、8(VCC)脚:地、正电源引脚。
③RS485与RS232转换模块原理

图4 RS485与RS232转换模块连接器图
RS485与RS232转换模块连接器图如图4所示。RS485与RS232转换模块将RS232C串行口的数据发送(TD)和数据接收(RD)信号转换成平衡的半双工RS485信号,实现远距离多点总线通信。
◆ RS485与RS232转换模块性能参数如下:
a、接口:兼容EIA/TIA的RS-232C和RS-485标准。
b、传输速率:300M时到115.2KBPS;1200M时到19.2KBPS;2400M时到9600KBPS;3公里时到2400KBPS。
c、传输距离:最大5公里(1200KBPS)
RS485与RS232转换模块DB9针母头连接器与计算机上的RS232 COM口相连。其中7、8引脚1、4、6引脚短接;另一端DB9针公头连接器与YR-GAD人工智能调节器RS485接口相连。接口定义如表1、2所示。
表1 RS232引脚定义
D9针(母头) RS232C
1 DCD
2 TD
3 RD
4 DIR
5 GND
6 DSR
7 RTS
8 CTS
表2 RS485引脚定义
D9(公头) RS485
1 485+
2 485-
3 GND
④计算机上RS232通讯接口原理
计算机上RS232通讯接口左上角为1,右下角为9。
RS232接口是1970年由美国电子工业协会(EIA)联合贝尔系统、调制解调器厂家及计算机终端生产厂家共同制定的用于串行通讯的标准。它的全名是“数据终端设备(DTE)和数据通讯设备(DCE)之间串行二进制数据交换接口技术标准”。 该标准规定采用一个25个脚的DB25连接器,对连接器的每个引脚的信号内容加以规定,还对各种信号的电平加以规定。随着设备的不断改进,出现了代替DB25的DB9接口,现在都把RS232接口叫做DB9。传输距离有限,最大传输距离标准值为50英尺,实际上也只能用在15米左右。计算机上RS232通讯接口采用DB9针公头,引脚定义如表3所示。
表3 计算机上RS232引脚定定义
D9针(公头) RS232
1 DCD载波检测
2 RXD接收数据
3 TXD发送数据
4 DTR数据终端准备好
5 SG信号地
6 DSR数据准备好
7 RTS请求发送
8 CTS允许发送
9 RI振铃提示
3、通讯方法的软件原理
①通讯方法组态
Modbus是由Modicon(现为施耐德电气公司的一个品牌)在1979年发明的,是全球第一个真正用于工业现场的总线协议。此协议支持传统的RS232、RS422、RS485和以太网设备。许多工业设备,包括PLC、DCS、智能仪表等都在使用Modbus协议作为他们之间的通讯标准。
◆ Modbus具有以下几个特点:
a、标准、开放,用户可以免费、放心地使用Modbus协议,不需要交纳许可证费,也不会侵犯知识产权。目前,支持Modbus的厂家超过400家,支持Modbus的产品超过600种。
b、Modbus可以支持多种电气接口,如RS232、RS485等,还可以在各种介质上传送,如双绞线、光纤、无线等。
c、Modbus的帧格式简单、紧凑,通俗易懂。用户使用容易,厂商开发简单。
组态软件选用北京亚控科技发展有限公司的组态王软件6.55。它是运行在WindowsNT/2000/XP中文操作系统上的一种组态软件。它具有完善的图形界面生成功能,可以形象逼真的描绘工业现场。提供了功能齐全的控件和控件函数以及多种I/O驱动程序。
②组态王通讯参数和设备配置
A、通讯参数

图5 组态王通讯参数配置图
组态王通讯参数配置图如图5所示。波特率:9600;数据位:8;奇偶效验:无效验;停止位:1;通信超时:3000毫秒;通信方式:RS485。
B、设备配置

图6 组态王通讯设备配置图
组态王通讯设备配置图如图6所示。设备生产厂家:莫迪康生产的MODBUS RTU;设备逻辑名称:fkswng调节器;设备地址:1;通信方式:COM。
◆MODBUS功能与人工智能调节器驱动支持寄存器对应关系
MODBUS功能与人工智能调节器驱动支持寄存器对应关系表如表4所示。
表4 组态王的变量与YR-GAD人工智能调节器
功能码 名称 作用 相关寄存器
01 读取线圈状态 取得一个逻辑线圈的当前状态 0
02 读取输入状态 取得一个开关输入的当前状态 1
03 读取保持寄存器 在一个或多个保持寄存器中取得当前的二进制值 4
04 读取输入寄存器 在一个或多个输入寄存器中取得当前的二进制值 3
05 强制单线圈 强置一个逻辑线圈的铜端状态 0
06 预置单寄存器 把具体二进制值装入一个操持寄存器 4
15 强制多线圈 强置一串连续逻辑线圈的通断 FMC
对于只读寄存器,请将采集频率设置为0;寄存器3,如果客户需要读取Byte数据类型,需要定义二级通道,分别表示字的高字节和低字节;寄存器4读功能码为03;写单字节(Short,Ushort,BCD)的功能码为06;写双字节(Long,Float,LongBCD)的功能码为0×10;驱动的变量后的寄存器通道号(寄存器范围),是按照以1为起始地址的。对于以1为起始地址的设备,定义变量应该加1。
◆组态王的变量与智能调节器保持寄存器对应关系
组态王的变量与YR-GAD人工智能调节器78个保持寄存器对应关系见表5所示。
表5 组态王的变量与YR-GAD人工智能调节器保持寄存器对应关系
序号 变量名称 变量类型 寄存器 数据类型 读写属性
1 测量通道测量值 I/O实数 4001 FLOAT 只读
2 PID设定值 I/O实数 4003 FLOAT 读写
3 阀位反馈值 I/O实数 4005 FLOAT 只读
4 输出值 I/O实数 4007 FLOAT 只读
5 第一报警状态 I/O整数 4009 USHORT 只读
6 第二报警状态 I/O整数 4010 USHORT 只读
7 第三报警状态 I/O整数 4011 USHORT 只读
8 第四报警状态 I/O整数 4012 USHORT 只读
9 当前手动操作 I/O整数 4013 USHORT 读写
10 仪表类型 I/O整数 4030 USHORT 只读
序号 变量名称 变量类型 寄存器 数据类型 读写属性
11 设定密码 I/O整数 4031 SHORT 读写
12 第一报警值 I/O实数 4032 FLOAT 读写
13 第二报警值 I/O实数 4034 FLOAT 读写
14 第三报警值 I/O实数 4036 FLOAT 读写
15 第四报警值 I/O实数 4037 FLOAT 读写
16 控制环断线报警值 I/O实数 4040 FLOAT 读写
17 第一报警回差 I/O实数 4041 FLOAT 读写
18 第二报警回差 I/O实数 4043 FLOAT 读写
19 第三报警回差 I/O实数 4045 FLOAT 读写
20 第四报警回差 I/O实数 4047 FLOAT 读写
序号 变量名称 变量类型 寄存器 数据类型 读写属性
21 比例P I/O实数 4049 FLOAT 读写
22 微分时间I I/O整数 4051 USHORT 读写
23 微分时间D I/O整数 4052 SHORT 读写
24 PID运算周期 I/O整数 4053 SHORT 读写
25 输出周期 I/O整数 4054 USHORT 读写
26 自整定 I/O整数 4055 USHORT 读写
27 抑制系数 I/O整数 4056 FLOAT 读写
28 测量通道信号类型 I/O整数 4058 USHORT 读写
29 测量通道小数点 I/O整数 4059 USHORT 读写
30 第一报警方式 I/O整数 4060 USHORT 读写
序号 变量名称 变量类型 寄存器 数据类型 读写属性
31 第二报警方式 I/O整数 4061 USHORT 读写
32 第三报警方式 I/O整数 4062 USHORT 读写
33 第四报警方式 I/O整数 4063 USHORT 读写
34 测量通道闪烁报警 I/O整数 4064 USHORT 读写
35 测量通道滤波系数 I/O整数 4065 USHORT 读写
36 设备号 I/O整数 4066 USHORT 读写
37 通讯波特率 I/O整数 4067 USHORT 读写
38 报警打印功能 I/O整数 4068 USHORT 读写
39 定向打印间隔时间 I/O整数 4069 SHORT 读写
40 测量通道单位 I/O整数 4070 USHORT 读写
序号 变量名称 变量类型 寄存器 数据类型 读写属性
41 PID正反作用方式 I/O整数 4071 USHORT 读写
42 PID输出类型 I/O整数 4072 USHORT 读写
43 PID显示方式 I/O整数 4073 USHORT 读写
44 PID算式类型 I/O整数 4074 USHORT 读写
45 控制方式 I/O整数 4075 USHORT 读写
46 阀门类型 I/O整数 4076 USHORT 读写
47 阀位行程时间 I/O整数 4077 USHORT 读写
48 正反转手动方式 I/O整数 4078 USHORT 读写
49 阀位控制输出会差值 I/O实数 4079 FLOAT 读写
50 上电手自动状态 I/O整数 4081 USHORT 读写
序号 变量名称 变量类型 寄存器 数据类型 读写属性
51 PID输出下限 I/O实数 4082 FLOAT 读写
52 PID输出上限 I/O实数 4084 FLOAT 读写
53 测量通道零点迁移 I/O实数 4086 FLOAT 读写
54 测量通道量程比例 I/O实数 4088 FLOAT 读写
55 测量通道冷端零点迁移 I/O实数 4090 FLOAT 读写
56 测量通道冷端放大比例 I/O实数 4092 FLOAT 读写
57 变送输出零点迁移 I/O实数 4094 FLOAT 读写
58 变送输出放大比例 I/O实数 4096 FLOAT 读写
59 控制输出零点迁移 I/O实数 4098 FLOAT 读写
60 控制输出放大比例 I/O实数 4100 FLOAT 读写
序号 变量名称 变量类型 寄存器 数据类型 读写属性
61 变送输出量程下限 I/O实数 4102 FLOAT 读写
62 变送输出量程上限 I/O整数 4104 FLOAT 读写
63 测量通道闪烁报警下限 I/O整数 4106 FLOAT 读写
64 测量通道闪烁报警上限 I/O整数 4108 FLOAT 读写
65 PV光柱显示下限 I/O整数 4110 FLOAT 读写
66 PV光柱显示上限 I/O整数 4112 FLOAT 读写
67 测量通道测量量程下限 I/O整数 4114 FLOAT 读写
68 测量通道测量量程上限 I/O整数 4116 FLOAT 读写
69 测量通道小信号切除 I/O整数 4118 FLOAT 读写
70 阀位反馈/给定信号 I/O整数 4120 USHORT 读写
序号 变量名称 变量类型 寄存器 数据类型 读写属性
71 阀位反馈/给定小数点 I/O整数 4121 USHORT 读写
72 阀位反馈/给定滤波系数 I/O整数 4122 USHORT 读写
73 阀位反馈/给定迁移零点 I/O实数 4123 FLOAT 读写
74 阀位反馈/给定迁移比例 I/O实数 4125 FLOAT 读写
75 SV光柱下限值 I/O实数 4127 FLOAT 读写
76 SV光柱上限值 I/O实数 4129 FLOAT 读写
77 阀位反馈/给定量程下限 I/O实数 4131 FLOAT 读写
78 阀位反馈/给定量程上限 I/O实数 4133 FLOAT 读写
fkswngYR-GAD系列人工智能调节器与组态王的通讯研究,从硬件和软件两方面入手,全面阐述了人工智能调节器与组态王的通讯方法,通过组态王软件平台与所支持的MODBUS协议及RS485通讯接口,将代表YR-GAD人工智能调节器控制功能的78个控制参数采集到计算机控制系统里来,为工业自动控制系统的数据采集与监控控制打下基础。
大家可通过YR-GAD人工智能调节器选型页面//www.fkswng.com/product/979.html了解人工智能调节器详尽技术参数,将这种高贵而不贵的产品应用于自动化过程控制中。
作者:辽宁机电职业技术学院自动控制系 李冬冬
