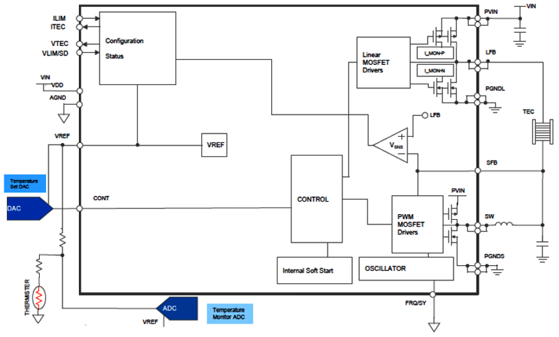
TEC控制器基本框图如下。以集成FET管的TEC控制器为例,通常包含以下几部分:高精度、低温漂的温度信号测量误差放大器,补偿放大器,参考电源发生器,振荡器,PWM控制器,场效应管驱动器以及场效应管。

TEC控制器(ADN883X)基本框图
温度传感器将被控环境的温度信号转化为电压信号,并将此电压信号输入到温度测量放大器进行放大,并与设定的目标温度对应的电压值进行比较,产生误差信号,该误差信号经过补偿放大器进行积分放大后传到脉宽调制线性放大器进一步放大,之后输出两组信号推动温度控制的执行驱动器(如功率管),由功率管输出的电流促使TEC进行制热或者制冷,使得被控环境温度向目标温度靠近,而传感器再实时的将感应的环境温度传给温度信号放大器,如此形成闭环回路。
