
阀门电动装置控制箱是与AC380V作为动力电源的多回转电动装置配套使用,阀门电动装置控制箱主要由主电路、控制电路、工作显示电路和开度指示电路等构成。fkswng仪表在本文介绍阀门电动装置控制箱内部检查及检修方法和思路。
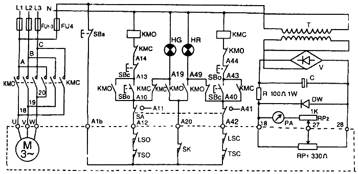
阀门电动装置控制箱电气原理图
阀门电动装置控制箱电气原理图内部检查及检修
1、三相交流接触器的检查及检修。检查三相交流接触器吸合、释放动作是否灵活, 触点是否拉抓严重,是否黏连,否则应予更换。
2、三相交流空气开关的检查及检修。检查三相交流空气开关手动脱扣是否灵活。合上 空气开关后,A、B、C三相各相接触电阻是否小于1Ω;脱扣后,三相各相接触电阻是否大 于1MΩ,否则应予更换。检查热继电器接点是否正常,动作电流设定值是否正确。
3、阀门电动装置控制箱上电源检查。检查电动阀门A、B、C三相电压,通电操作控制开 关按钮,A、B、C三相相间电压应为交流380V左右,否则,请运行人员检查380V交流母线情况,确保电源正常配电箱上保险容量检查。
4、阀门电动装置控制箱上指示灯检查及检修。阀门电动装置控制箱上指示灯在通电后,应与现 场阀门位置对应,阀门全开时,红灯亮阀门关严时,绿灯亮;在中间位置时,红绿灯都亮。阀门电动装置控制箱通电后,按红色灯,阀门应向开方向运动,直至全开按绿色灯,阀门应向关方向运动,直至关严。有特殊要求的阀门,无保持功能,可以点动开关至任一位置。
5、阀门电动装置控制箱上指示灯与上述现象不一致时,检查电气控制回路与指示灯,直至合乎要求。
6、阀门电动装置控制箱内、终端柜端子排检查及检修接线检查检查阀门电动装置控制箱内接线端子应紧固、整齐,线号编码清晰,各接线对地绝缘、线间绝缘应为∞值。
