电气二次回路图通常有三种类型:原理接线图(简称原理图);展开接线图(简称展开图);安装接线图(简称安装图)。阅读二次回路图时,首先要熟悉常用文字符号、电气图形符号和了解二次回路的编号,然后要掌握二次回路图阅图要领。有关二次回路的文字符号和图形符号,可参阅《电气图形符号和电气文字符号大全》文章,本文重点介绍三种接线图的阅读方法。
1、电气二次回路原理图
电气二次回路原理图是用来表示测量仪表,继电保护装置,信号和自动控制装置等的构成和工作原理。从原理图中可以看出各装置、元件、表计之间的电气联系及其动作顺序等。通常将二次接线和一次接线中的有关部分画在一起。这种接线图的特点是,能够使读识图者对整个装置的构成及动作原理有一个明确的概念。
阅读二次回路原理图时应从一次接线看电流的来源,当负荷侧发生短路故障时,看接于电流互感器二次侧的哪个电流互感器动作,该继电器的触点闭合或断开后又能使哪个继电器动作。这样依次看下去,直到看到断路器跳闸及发出信号为止。

图1 6-10kV线路过电流保护原理图
由图1可见,电流互感器与电流继电器均为两相接法。当负荷侧发生短路故障时,电流互感器二次侧电流迅速增大,使电流继电器3及4的线圈吸合,其触点闭合,直流电源加到时间继电器5的线圈上。经过一定时限后,延时触点闭合,使信号继电器6的线圈得电而吸合,发出跳闸信号。同时,直流电源经压板7将直流电源加到断路器的跳闸线圈9上,断路器跳闸。断路器跳闸后常开辅助触点打开,切断跳闸线圈的电流。当被保护的线路故障排除后,电流继电器和时间继电器触点返回到图中的原始位置,信号继电器则需要人工把触点复位。
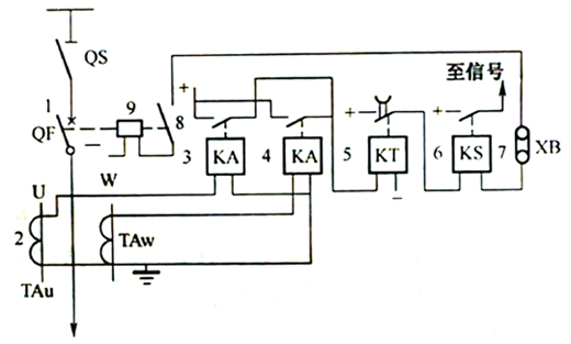
2、电气二次回路展开图
电气二次回路展开图是将交流电流回路、交流电压回路和直流回路分开来画的。属于同一继电器或仪表的电流线圈和电压线圈分开画在不同的回路里。
展开图接线清晰,并列有设备表,便于施工人员了解整套装置的设备情况、接线方式和动作程序。尤其对于复杂的装置,如果没有展开图,则将很难进行分析和检修。
阅读展开图,应先读交流回路,后读直流回路,从左到右,从上到下,依次阅读。

图2 6-10kV线路过电流保护展开图
图2为6-10kV线路过电流保护展开图;表1为该电路的设备表,列出了该保护装置所用设备的符号、型号、技术参数和数量等。
表1 6-10kV线路馈电屏上的设备表
符号/名称/型号/技术参数/数量/备注
1KA、2KA/电流继电器/DL-10/10/10A/2
KT/时间继电器/DS-113/220V/1
KS/信号继电器/DX-11/1/1A/1
XB/压板/YY1/D/1
由图可见,由电流互感器次级绕组TAu、TAw和电流继电器1KA和2KA的线圈组成交流回路。直流回路的电流经熔断器FU引出。当电流互感器次级绕组有交流电流通过时,电流继电器1KA线圈②-⑧、2KA线圈端②-⑥得电,线圈吸合。直流回路中设备的动作顺序是由上至下,由左至右。即当1KA或2KA线圈动作后,分别使它们各自的触点①-③闭合,使接点101-1KA触点-接点03-KT线圈-接点102形成回路,时间继电器KT的线圈通电吸合。经一定延时后时间继电器KT的触点③-⑤闭合,(+)电源经KT延时触点③-⑤、信号继电器KS线圈端④-⑤、压板XB接通“133”回路,向断路器发出跳闸脉冲,使断路器跳闸。在信号继电器KS线圈④-⑤得电吸合后、其触点①-②闭合,接通小母线M703、M716,信号回路发出"掉牌未复归"的灯光信号。
3、电气二次回路安装图
电气二次回路安装图是制造电气设备屏(盘)和现场安装必不可少的施工图、也是运行、试验和检修等的主要参考图。它是根据工作原理,按仪表、继电器、连接导线及端子的实际排列位置绘制的。安装图包括屏面布置图、屏背面接线图和端子排图等。
屏面布置图是将实际设备布置按一定比例绘制的;屏背面接线图表示各个设备在屏背面的实际连接情况;端子排图表示端子数目、类型、排列顺序以及它与屏上的设备及屏外设备的连接情况。
在安装图中,所有仪表、继电器、各类电器设备、端子排等,都是按照它们的实际图形及位置绘制的,并用编号表示连接关系。
猜您喜欢
◆电气设计中电气控制回路线号规则
◆电工必读的30个高压电气二次回路图
