1、控制闸板阀
节流控制就是通过改变管路系统控制阀的开度,使管路曲线形状发生变化来实现工作点的改变。节流控制分出口端节流控制和入口端节流控制。图1所示为风机出口控制闸板阀节流控制系统示意,通过控制风机出口管道中的闸板阀开度来人为地改变管网阻力,以适应管路对流量或压力的特定要求。

图1 风机出口控制闸板阀节流控制系统示意图
图2所示为风机出口节流控制特性曲线,其中曲线2为控制阀全开时管路的性能曲线,此时工作点为S0。若使流量减小,将控制阀关小,管路局部阻力系数增加,管路曲线变为3,工作点移到S1,以满足流量q=ql的要求。但在q=q1时,管路所需要的能量仅为P3就够了,而此时风机所产生的能量P1大于P3,多余的能量P1-P3完全消耗在控制阀产生额外的节流损失上。可见,这种控制本身是不经济的。尽管如此,这种控制方式毕竟不需要复杂的控制设备,而且控制简单可靠,因而多用于小功率的离心式风机。

图2 风机出口节流控制特性曲线
2、控制挡板
控制挡板也称调节挡板,它可安装在风机的入口端或出口端,但大多数安装在入口端,这也属于节流控制。
风机入口节流控制是控制风机入口挡板(或蝶阀)的开度,通过改变风机的入口压力来改变风机的性能曲线,以适应管路对流量或压力的特定要求,电厂排粉风机多采用入口节流控制方式。图3所示为风机入口节流控制系统,通过改变入口挡板开度来控制流量。

图3 风机入口节流控制系统示意
图4所示为风机入口节流控制特性曲线,与出口控制相比,当入口挡板关小时、不仅管路曲线变陡(由曲线2变为曲线4),而且风机性能曲线也变陡(由曲线1变为曲线5),这是因为入口节流后,风机入口前压力降低,风机性能曲线形状当然也要受到影响。为减小流量,用入口控制可将工作点S0移到S2,此时节流损失为P2-P3;若用出口控制、则工作点需要移到S1点,节流损失为P1-P3。比较两者,PI-P3>P2-P3,可见入口节流控制比出口节流控制要经济一些,所以离心机多采用入口控制挡板控制。但是,对于水泵来说,如果采用入口节流控制会使泵进口压力降低,泵容易发生气蚀,所以泵一般不采用入口端节流控制。

图4 风机入口节流控制特性曲线
3、入口导流器(俗称百叶窗)
入口导流器是离心式风机中广泛采用的一种控制方法,它通过改变风机入口导流器的装置角使风机性能曲线形状改变来实现调节。入口导流器产生的节流损失较小,而且工作点始终处于风机性能曲线的下降段,使风机能保持稳定运行。
离心式风机最常用的入口导流器有轴向导流器和径向导流器,如图5所示。轴向导流器由若干个扇形叶片构成,安装在风机进叶口,叶片上有可沿叶片轴线转动的转轴,在控制机构作用下叶片可统一绕叶片轴转动,以改变装置角径向导流器由导流叶片构成的,导流叶片沿叶轮的径向安装在风机进口,并可绕叶片轴线摆动,以控制风量和风压。这两种导流器控制方便、可靠。

图5 风机入口导流器 备注:(a)轴向导流器;(b)径向导流器
4、导叶(静叶)控制机构
导叶(静叶)控制机构如图6所示。流体流出叶轮后有圆周分速度,使流体产生旋转运动,对于轴流式风机来说是一种能量损失,为了减少这一损失,可在轴流式风机的叶轮前、后或前后均设置导叶。

图6 导叶(静叶)控制机构
①在叶轮后放置导叶
当流体从叶轮流出时,其圆周分速度经导叶后改变了流动方向,并将流体旋转运动的动能转换为压力能,最后使流体沿轴向流出。
②在叶轮前设置导叶
前置导叶使流体在进人叶轮之前先产生反预旋,因而流体通过叶轮时获得能量较高,这样,可使风机的体积相应减小。
③叶轮前后均设置导叶
这种型式是单个叶轮后置导叶和前置导叶的综合、工作效果较好。
若前置导叶或后置导叶或前后均置导叶中的前置导叶做成可转动的,则可进行工况控制,这也是轴流式风机风量控制的一种手段。
5、动叶安装角控制机构
轴流式风机叶轮的叶片安装角若可改变。则可使风机的流量发生较大变化,从而改变了风机的性能曲线形状,而风机的全压变化不大,这就非常适合于流量控制。动叶控制机构有以下两种情况:①在风机停转时,改变动叶安装角;②在风机运行中,随时改变动叶安装角。其传动方式有机械式和液压式。液压式动叶控制机构示意如图7所示。

图7 动叶安装角控制机构示意
动叶控制机构的基本控制过程是:操纵电动机(伺服机)接受锅炉控制系统来的信号,通过杠杆使错油门活塞偏离中间位置(假设向上),油压装置来的压力油经错油门和油管路进入液压缸活塞下,使液压缸油活塞向上,带动操纵杆和十字头也向上,通过拉臂使动叶片转动。在液压缸活塞向上的同时,通过杠杆传动机构,使错油门活塞回到中间位置,同时也指示了动叶片的旋转角度(或开度)。
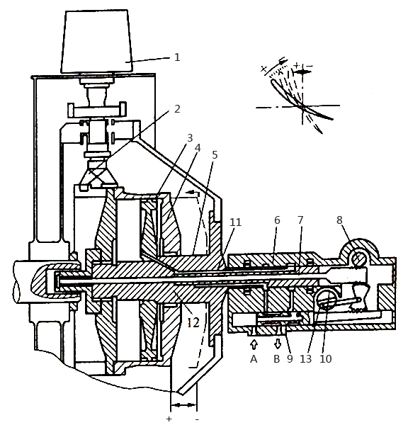
德国生产的TLT动叶可调轴流式风机液压控制机构如图8所示。

图8 TLT动叶可调轴流式风机液压控制机构
备注:1-叶片;2-控制杆;3-活塞;4-油缸;5-接收轴;6-控制头;7-位置反馈杆;8-显示输出轴;9-控制滑阀;10-伺服电动机输入轴;11-油通路;12-油通路;13-滑块;A-压力油口;B-回油口
动叶片在运行时通过液压控制机构可以改变叶片的安装角并保持在一定位置上。液压缸的轴线上钻有二个孔,称为中心孔,它是为了安装位置反馈杆,此反馈杆一端固定于缸体上,另一端通过轴承与反馈齿条连接,这样位置反馈齿条做轴向往返移动,反馈齿条带动输出轴(显示轴),输出轴与一传递杆弹性连接在机壳上显示出叶片角度的大小。同时,又可转换成电信号引到控制室作为叶片角度的开度指示,另外,反馈齿条又带动传动控制滑阀(错油门)齿条的齿轮,使控制滑阀复位。
液压缸轴中心孔的周围钻有4个孔,是使缸体做轴向往返运动的供油回路。叶片装于叶柄的外端,每个叶片可用6个螺栓固定在叶柄上,叶柄由叶柄轴承支承,平衡块用于平衡离心力,使叶片在运转中可调。
液压缸的轴固定在风机转子罩壳上,并插入风机轴孔内同转子一同转动,轴的一端装液压缸缸体和活塞(固定于轴上),另一端装控制头,液压缸的轴和风机轴同步转动,而控制头则不转动,油室的中间和两端同轴间的间隙都是靠齿形密封环密封的,使油不至于大量泄出或由一油室漏入另一油室。
控制滑阀装在控制头的另一侧,压力油和回路管道通过控制滑阀与两个压力油室连接。控制滑阀的阀芯与传动齿条铰接,传动齿条与装配在滑块上的小齿轮啮合,和小齿轮同轴的大齿轮与反馈杆相啮合。在与伺服电动机连接的输入轴(控制轴上)偏心地装有约5mm的金属杆,嵌入到滑块的槽道中。液压控制机构的动作原理如下:
①当信号从输入轴(伺服电动机带入)输入要求“+”向位移时,控制滑阀左移,压力油从进油管A经过油通路11送到活塞左边的油缸中,由于活塞无轴向位移,油缸左侧的油压就上升,使油缸向左移动,带动控制杆偏移,使动叶片向“+”向位移。与此同时,位置反馈杆也随着油缸左移,而齿条将带动输入轴的扇齿轮逆时针转动,但控制滑阀带动的齿条却要求控制轴的扇齿轮做顺时针转动,因此位置反馈杆就起到弹簧的限位作用。当调节力过大时,弹簧不能限制住位置,所以叶片仍向“+”向移动,即为叶片调节正终端的位置。
②当油缸左移时,活塞右侧缸的体积变小,油压也将升高,使油从油通路12经回油管B排出。
③当信号输入要求叶片“-”向移动时,控制滑阀右移,压力油从进油管A经通路12送到活塞右边的油缸中,使油缸右移,而油缸左边的体积减小,油从通路11经回流管B排出。整个过程正好与上述①、②过程相反。
从上述动作过程可以看出,当伺服电动机带动输入轴正、反转动一个角度时,滑块在滑道中正、反移动一个位置,液压缸的缸体和叶片也相应在一定的位置和角度下固定下来,这样输入轴正、反转动角度也可以换算成叶片的转动角度。
