fkswng仪表网通过两个变频器不能启动的故障处理案例,和大家分享控制电路设计存在缺陷和变频器参数设置不符合应用要求导致的变频器不能启动的原因和处理办法以及从这些故障处理中总结的经验。
变频器不能启动故障处理案例1
故障设备:JP6C-T9型变频器。
故障现象:这台变频器用于对一台水泵电动机进行调速,但是变频器有时可以启动,有时不能启动。
诊断分析:
①对变频器和电动机进行检查,都在完好状态。
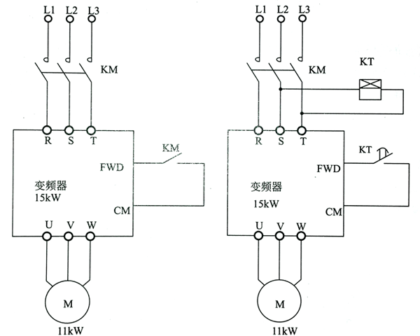
②变频器的控制电路见图1A,变频器的启动由端子FWD控制。分析认为变频器的主回路应该提前获得电源电压。而现在主接触器KM的辅助常开触点接在FWD与CM之间,在辅助触点闭合、端子FWD得到启动信号的同时,变频器主回路才能获得电源电压,这说明主回路获得电源电压的时间被滞后,导致变频器启动困难。

图1A 图1B
故障处理:按图1B进行改进,增加一只时间继电器KT,用其延时闭合的常开触点,替代图1A中KM的辅助常开触点。这样主回路提前得到电源电压,延时2-3s以后,FWD端子才得到启动信号,保证了变频器的可靠启动。
【经验总结】变频器是集电工技术和电子技术为一体的电气设备。异步电动机使用变频调速技术时,速度调节方便,节约电能,运行稳定可靠,故应用范围越来越广泛。但是必须熟悉其性能和控制电路,才能得心应手地进行运用。变频器启动回路电气图纸设计时应注意:如果变频器主回路进线电源开关是接触器,应该增加时间继电器,延时后才能将启动信号送变频器启动端子FWD端子;如果变频器主回路进线电源开关是断路器,先合上断路器,再将启动信号送变频器启动端子FWD端子。这样的电路设计,就能避免变频器不能正常启动的情况出现
变频器不能启动故障处理案例2
故障设备:ABB公司的AC8510-01型变频器(15kW)。
故障现象:这台变频器用于控制冷冻系统中的冷水循环泵(14kW)。在一次停机后,再次启动冷水循环泵时,变频器不能启动。
诊断分析:
①观察变频器的显示,频率13Hz,转矩45%,电流由15A慢慢上升到32A,超过了电动机的额定电流(28.8A)。而后这些数字出现跳变现象,电动机不能转动,并且发出"嗡嗡"的响声。
②经几次试验后,电动机已经发热,外壳有点烫手。变频器显示故障代码“1”。
③查阅使用说明书,报警代码“1”'提示电动机过载、加速时间短等故障。
④检测主回路电源,没有缺相且电压正常。
⑤用手盘动循环泵,感到很轻松,不存在过载问题。该冷水循环泵一共有两台,一用一备,都是由这台变频器控制。于是切换到另外一台循环泵试车,仍然不能启动。这说明故障不在循环泵,而是变频器的问题。
⑥调整加速时间参数(2202#、2205#参数),适当延长启动加速时间,故障仍未排除。
⑦再次检查变频器,发现启动后输出电压只有30V左右,这导致输出转矩较小,不能驱动循环泵电动机。
⑧查看原来设置的输出转矩参数,正是按照风机、水泵类负载设定的,与现场实际负载相符。
故障处理:根据说明书的提示,对部分控制输出转矩的参数进行调整,以增大输出转矩,所调整的参数是:
①2101#(启动方式选择),原设置为“1”,现改为“4”。
②2110#(转矩提升电流),原设置为100%,现改为150%。
③2603#(1R补偿电压),原设置为“一”,现改为“12”。
④2605#(在弱磁时电压/频率比的形式),原设置为“2”,现改为“1”。
如此调整之后,变频器恢复正常工作。
