1 引言
水三相点是热力学温度和国际温标ITS-90的温度开尔文的定义点。在热力学温度测量、国际温标复现以及实际温度测量中,均有十分重要的意义。一次水三相点正确复现、准确测量是国际温标ITS-90实施的关键。然而,影响水三相点值的因素很多,如冰桥所引起水三相点值偏低约0.04mK;环境热辐射所引起的水三相点值偏高约0.14-0.17mK,并且随着热辐射的强度增强而增大,用黑棉塞堵住计阱口可以消除热辐射的影响;Nicholas J V等人研究发现水三相点值取决于水三相点瓶内水的氢氧同位素的组成;Hill K D经研究发现硼硅玻璃的溶解所引起对的水三相点值每年约降低0.014mK等。
本文主要是研究在水三相点瓶的计阱内附加套管对水三相点测量结果的影响,套管可以增加温度计传感元件的导热性,增加热交换、降低自热,并提高测量的可重复性。Steur P P M经研究发现在温度计阱内加套管会影响水三相点的复现性:温度计阱的直径在Φ12-Φ13.6mm,其复现性的变化范围超过50μK。为了研究套管对三相点的影响,本文研制了计阱内径为Φ16mm和Φ18mm的水三相点瓶、外径为15.5mm的紫铜管。在此基础上,通过实验确定铜管对水三相点的影响。
2 实验
2.1 实验装置
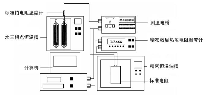
实验装置主要包括温度计阱内径为Φ16mm和Φ18mm的水三相点瓶及其保存装置、高精度测量装置、外径为Φ15.5mm的紫铜管。高精度测量装置由计算机、F900交流比较仪电桥、二等标准铂电阻温度计WZPB-2、NIM-9标准电阻恒温槽、TINSLEY5685A标准电阻组成。图1 为实验装置的结构示意图。

图1 套管对水三相点的影响研究实验装置的结构示意图2.1.1 水三相点瓶

传统水三相点瓶温度计阱内径Φ10mm、容器外壳的外径Φ60mm。实验采用中国计量科学研究院自主研制的水三相点瓶,其机构尺寸见图2。其外径与传统水三相点的外径相同。制作工艺也与传统水三相点瓶的制作工艺相同:通过真空蒸馏方式将高纯蒸馏水充入水三相点瓶外壳,并在真空下进行熔封。
图2 水三相电瓶尺寸示意图
2.1.2 高精度测量装置
试验中采用准确度为0.02×10-6的F900交流比较仪电桥,并编写数据自动采集程序,显著提高测量的自动化水平。
实验使用TINSLEY 5685A 100Ω,其保存在NIM-9标准电阻恒温槽内。该油槽24h内温度稳定性为2mK,可最大程度减少标准铂电阻随温度的波动第测量结果的影响。此外,利用热敏电阻温度计测量标准铂电阻的温度,并修正标准电阻在所测温度下的电阻值。
2.1.3 套管
紫铜的导热性良好,实验选用的套管为紫铜管,外径:Φ15.5mm;内径:Φ11.8mm;长度108mm。图3为紫铜管的实物图。

图3 铜管实物图
2.2 测量步骤
实验利用液氮冷却铜棒法冻制水三相点瓶(可参考本站“水三相点瓶冻制方法”技术文章),使温度计阱周围形成10mm厚的冰套。并在温度计阱内注入预冷的蒸馏水,保证冰套围绕温度计阱可自由转动。为了消除冰套冻制中应力的影响,水三相点瓶冻制7天后再开始测量。
测量前,室温下的玻璃管插入温度计阱内使内溶,冰套可以绕计阱自由转动。然后,将预冷的铜管放入计阱内,再将二等标准铂电阻温度计WZPB-2插入温度计阱内,并调整计阱内液面高度与冰套高度一致。为消除热辐射影响,在温度计阱口塞上黑色保温棉。当二等标准铂电阻温度计处于热平衡后,分别在计阱内加铜管、不加铜管、再加铜管,用F900电桥测量铂电阻温度计在计阱底部的电阻值。每次测量采用相同的测量程序测量二等标准铂电阻温度计在计阱底部的电阻值。通常采用1mA和1.414mA测量,并将测量结果进行自热修正、标准电阻温度修正。
3 实验结果与分析
3.1 实验结果
表1为水三相点瓶计阱内附加套管和不加套管的测量结果。表中:Rtpw为测量二等标准铂电阻温度计在水三相点的电阻值;△T为加铜管与不加铜管的差值;Φ16、Φ18分别表示计阱内径为16mm、18mm的水三相点瓶;Φ16Cu1、Φ18Cu1表示Φ16mm、Φ18mm的水三相点瓶第一次加铜管测量;Φ16Cu2、Φ18Cu2表示Φ16mm、Φ18mm的水三相点瓶第二次加铜管测量。
表1 套管对水三相点的影响
3.2 实验结果分析
Φ16、Φ18水三项电瓶内加套管对水三相点测量结果的影响见图4、图5,由图可以看出,在计阱内径为Φ16mm的水三相点瓶内,加铜管后测量的水三相点的平均值偏高10μK,可以忽略不计,偏高的原因可能是加入套管后二等标准铂电阻温度计传感元件的导热性改变所致。而在计阱内径为Φ18mm的水三相点瓶内,加铜套管后测量的水三相点的平均值偏高大约30μK。不同计阱的水三相点瓶,其计阱内壁与套管的接触面积大小不同,热交换能力也不同,因此,可能是上述原因导致不同温度计阱内夹套管测量的结果存在差异。且在整个实验中,前后二次加铜管的测量结果差值在10μK内,说明在整个实验过程中测量是稳定的。

图4 套管对Φ16容器的影响 图5 套管对Φ18容器的影响
4 结论
研究了温度计阱内加套管对水三相点测量结果的影响。实验结果表明:实验中套管对水三相点值的影响小于30μK。在相同的测量条件下,套管对水三相点的影响取决于水三相点瓶的温度计阱和套管的直径,且套管的直径与水三相点瓶温度计阱的直径越接近,套管对水三相点值的影响也就越小。当套管直径与水三相点瓶温度计阱内径接近时,可以忽略套管对水三相点的影响。
