导轨式温度变送器亮点
◆电源、报警状态指示
◆温度传感器输入类型(分度号)、输出信号、量程范围可组态设置
◆可选配带浪涌保护、RS485
◆输入/输出/电源/通道四隔离
◆高精度(热电偶温度变送器精度0.1%,热电阻温度变送器精度0.2%)
◆高稳定性和高可靠性
◆极低温度漂移
◆坚固耐用的设计,导轨安装
◆低功耗设计,可高密度安装
最常用导轨式温度变送器型号
◆一入一出导轨式温度变送器:
YR9031A-□-GN-N、YR9031A-□-GN-LP
◆一入二出导轨式温度变送器:
YR9031A-□-GG-N、YR9031A-□-GG-LP、YR9031A-□-GR-N
◆一入一出温度安全栅:
YR9031A-EX-□-GN-N、YR9031A-EX-□-GN-LP
◆一入二出温度安全栅:
YR9031A-EX-□-GG-N、YR9031A-EX-□-GG-LP、YR9031A-EX-□-GR-N


导轨式温度变送器技术指标
◆输入阻抗:热电偶输入时≥10kΩ
◆允许输出负载能力:0-500Ω
◆冷端补偿精度:±1℃(-20~75℃)
◆温度变送器响应时间:<0.05s(0-90%)(TYP)
◆波纹:<10mVrms
◆精度:热电偶温度变送器为0.1%的终值,热电阻温度变送器为0.2%的终值
◆温度系数:50ppm/K的测量值/100Ω负载
◆耐压强度:500VDC时100MΩ以上,2500VAC/分钟
◆电磁兼容:符合GB/T1826工业设备应用要求(等同IEC 61326-1)
◆工作温度:-20~+70℃
◆工作湿度:小于90%RH(无凝结水)
◆电源:DC24V±10%
◆功耗:一入一出温度变送器<1W;一入二出温度变送器<1.8W
◆外壳材料:PC+ABS阻燃
◆重量:导轨式温度变送器约120g;安全栅约150g
◆YR9031A模块为超薄外形,底座+本体结构,宽度仅13.3mm。产品外形尺寸:宽13.3×高113×深121mm
◆质保期:工业级60个月;军品级8年
浪涌保护特性(带-LP的温度变送器型号)
◆最高连续工作电压:30VDC
◆额定放电电流In:5kA(线对地、线对线)
◆依据标准:GB/T18802.21-2004
浪涌保护接线注意事项
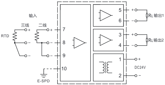
1、导轨式温度变送器带浪涌保护时,导轨安装温度变送器YR9031A的10脚端子必须接地线。
2、采用可拆分接线端子,方便使用。
3、导线采用截面积1.0-2.5mm2。
4、导线裸露长度约8mm,由M3螺钉锁紧。
导轨式温度变送器选型表
YR9031A-①-②③-④-⑤/⑥
YR9031A-EX-①-②③-④-⑤/⑥安全栅
①输入信号类型/专用编程线切换分度号和量程
[P]:Pt100热电阻
[C]:Cu50热电阻
[B]:B分度号热电偶
[S]:S分度号热电偶
[K]:K分度号热电偶
[E]:E分度号热电偶
[T]:T分度号热电偶
[J]:J分度号热电偶
[N]:N分度号热电偶
②导轨式温度变送器第一路输出(OUT1)
[G]:直流4-20mA输出,输出阻抗≤500Ω,标准出厂配置
[A]:直流-1~5V,输出阻抗≥10kΩ
[B]:直流0-5V,输出阻抗≥10kΩ
[C]:直流-0-10V,输出阻抗≥10kΩ
[D]:直流1-5V,输出阻抗≥10kΩ
[E]:直流0-10mA,输出阻抗≤1kΩ
[F]:直流0-20mA,输出阻抗≤500Ω
③导轨式温度变送器第二路输出(OUT2)
[N]:无第二路输出(一入一出温度变送器和RS485通讯时必选项)
[G]:直流4-20mA输出,输出阻抗≤500Ω,标准出厂配置
[A]:直流-1~5V,输出阻抗≥10kΩ
[B]:直流0-5V,输出阻抗≥10kΩ
[C]:直流-0-10V,输出阻抗≥10kΩ
[D]:直流1-5V,输出阻抗≥10kΩ
[E]:直流0-10mA,输出阻抗≤1kΩ
[F]:直流0-20mA,输出阻抗≤500Ω
[R]:RS485通信接口(支持MODBUS RTU协议)
④输入带浪涌保护
[N]:不带浪涌保护
[LP]:浪涌保护
⑤导轨式温度变送器量程下限
[*]:数字
⑥导轨式温度变送器量程上限
[*]:数字
导轨式温度变送器接线图
①热电偶温度变送器接线图

②热电阻温度变送器接线图

导轨式温度变送器价格
fkswng仪表是高性能导轨式温度变送器(安全栅)生产工厂,导轨式温度变送器(安全栅)价格实惠,与模拟型温度变送器价格接近,期待您的光临!不同信号的导轨式温度变送器价格请与网站客服或公司市场部联系(电话:0871-65127691)。
