热电阻测温原理
热电阻(如Pt100)是利用其电阻值随温度的变化而变化这一原理制成的将温度量转换成电阻量的温度传感器。
温度变送器通过给热电阻施加一已知激励电流测量其两端电压的方法得到电阻值(电压/电流),再将电阻值转换成温度值,从而实现温度测量。
热电阻和温度变送器之间有三种接线方式:二线制、三线制、四线制。
二线制热电阻
如图1。温度变送器通过导线L1、L2给二线制热电阻施加激励电流I,测得电势V1、V2。

图1 (图中R为热电阻,RL1为导线L1的等效电阻,RL2为导线L2的等效电阻)
计算得Rt:
由于连接导线的电阻RL1、RL2无法测得而被计入到热电阻的电阻值中,使测量结果产生附加误差。如在100℃时Pt100热电阻的热电阻率为0.379Ω/℃,这时若导线的电阻值为2Ω,则会引起的测量误差为5.3 ℃。二线制热电阻接入温度变送器将产生不可预计的测量误差
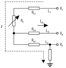
三线制热电阻
三线制是实际应用中最常见的热电阻接法。如图2,增加一根导线用以补偿连接导线的电阻引起的测量误差。三线制要求三根导线的材质、线径、长度一致且工作温度相同,使三根导线的电阻值相同,即RL1=RL2=RL3。温度变送器通过导线L1,L2给热电阻施加激励电流I,测得电势V1、V2、V3。导线L3接入高输入阻抗电路,IL3=0。

图3 (Rt为热电阻,RL1为导线L1的等效电阻,RL2为导线L2的等效电阻,RL3导线L3的等效电阻)
三线制热电阻的阻值Rt:

由此可得三线制热电阻接入温度变送器可补偿连接导线的电阻引起的测量误差。
四线制热电阻
四线制是热电阻测温理想的接线方式。如图3,温度变送器通过导线L1、L2给热电阻施加激励电流I,测得电势V3、V4。导线L3、L4接入高输入阻抗电路,IL3=0,IL4=0,因此V4-V3等于热电阻两端电压。

图3 Rt为热电阻,RL1为导线L1的等效电阻,RL2为导线L2的等效电阻,RL3导线L3的等效电阻,RL4导线L4的等效电阻
四线制热电阻的电阻值Rt:

由此可得,四线制热电阻接入温度变送器让温度测量不受连接导线的电阻的影响。
