资深工程师张白帆以自己个人经历为例分享CAD在机械制图和电气制图以外的其他应用,CAD关键是要去实操,去发现和提炼。图绘制得越多,自然就越熟练,对CAD的功能也就了解得更多。这是一种相辅相成的关系。
今天,借助网友的一个提问,我来给大家讲讲利用CAD制图能做什么事情。
学习和使用CAD,我和大家一样,也是为了绘制工程图。刚刚入职时当了3个月的电工,然后又当了3个月的仪表工,接着就参加一条流水线的设计、改造和制作,从此,就和CAD打上交道,一直到现在。
离开国企来到外企,发现外企的制图系统特别烂。外企的特点是:图纸必须是纯英文的,电脑上的操作系统和各种软件也必须是英文的,海量的技术资料当然也是英文的。这就给设计工程师带来麻烦,大家设计的图纸极不规范,每个人都有自己的样式。
征求了上司的意见后,我设计了第一版制图系统,并建立的图纸库和图块库,以及统一的图纸模式,配套了CAD与EXCEL的自动关联以便直接输出元件表。从此以后,公司的制图系统就统一了,制图也方便了许多。
不过,我不想给大家介绍绘制机械图和电气图,而是介绍一些CAD的其他运用。
第一类图:家庭装修工程图:


全部装修图纸:

第二类图,写知乎帖子的图纸总汇:

另外一个角落放大,然后以西南等测来观察它:

其中一幅图,此图是昨天绘制的,放在讲解某个无功功率的帖子中:

自己感觉不错,挺美观。
再看下图:

还有这张,从西南等测图的角度来看短路电流图:

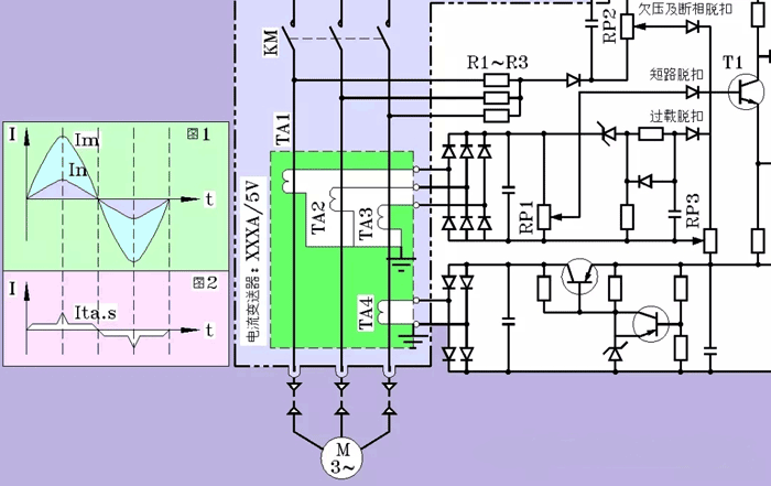
这是电动机保护装置电路图:

就说这么多吧。我写书和写帖子,其中的图基本上都是自己绘制的,当然要排除掉照片了。基于知识产权的考虑,我很排斥直接用网上的图。
由此可见,CAD能做的事多着呢,关键是我们要去实操,去发现和提炼。图绘制得越多,自然就越熟练,对CAD的功能也就了解得更多。这是一种相辅相成的关系。
作者:张白帆(Patrick Zhang):ABB公司的资深电气工程师,在知乎网拥有超过18万粉丝的电气领域大神。北京地铁、首都机场T3航站楼、长江三峡永久船闸、上海磁悬浮列车、大亚湾核电站等数百项目中均留下他的足迹!已出版《低压成套开关设备的原理及其控制技术》、《老帕讲低压电器技术》等图书,广受好评。





